Редуктор ЦТНД-500-63
Циліндричний редуктор ЦТНД-500-63
Циліндричний редуктор ЦТНД-500-63 найчастіше застосовується у гірничодобувній промисловості. Він встановлюється з приводом у парі для збільшення його моменту, що крутить, і зменшення числа оборотів.
Конструкційно складається з чавунного корпусу та двоступінчастого механізму в якому застосовано зачеплення Новікова.
Привід ЦТНД-500-63 має низку умов для нормальної роботи, це:
- неагресивне середовище;
- запиленість повітря, що не перевищує 10 мг/м3;
- максимальна швидкість на вхідному валі 1500 об/хв, а мінімальна - 750 об/хв.
Компанія виробник «Промпривод» пропонує Вам купити редуктор ЦТНД-500-63 за найвигіднішою ціною. Ми виготовляємо лише якісний товар, що підтверджується гарантією на 12 місяців. До кожного редуктора додається оригінальний паспорт. Зателефонувавши за вказаним на сайті номером, наші фахівці нададуть Вам кваліфіковану допомогу та допоможуть підібрати потрібний редуктор.
Наша компанія здійснює доставку по всій території України в максимально короткі терміни, будь-яким зручним для Вас способом.
Технічні характеристики редуктора ЦТНД-500-63
| Найменування технічних характеристик | Типорозмір редуктора | |
| ЦТНД-500 | ||
| Передавальні числа | 63 | |
| Допустиме радіально консольне навантаження на тихохідному валу, Н | 42200 | |
| Номінальний момент, що крутить, на тихохідному валу, Н.м. | 28500 | |
| ККД | 0,96 | |
| Маса, кг | 1448 | |
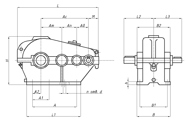
Схема габаритних і приєднувальних розмірів редуктора ЦТНД-500-63

| Редуктор | Aw т | Aw з | A | A 1 | B | H | H 1 | L | L 1 | L 2 | L 3 | L 4 | d | п |
| ЦТНД-500 | 500 | 1015 | 915 | 400 | 490 | 985 | 500 | 1720 | 1080 | 215 | 340 | 517 | 33 | 8 |
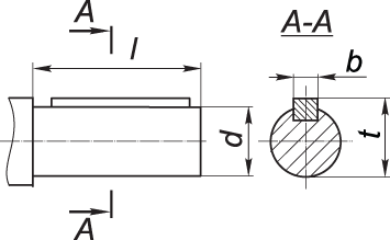
Приєднувальні розміри циліндричних валів редуктора ЦТНД-500-63

| швидкохідний вал | ||||
| Редуктор | d | l | b | t |
| ЦТНД-500 | 50 | 82 | 14 | 53,5 |
| тихохідний вал | ||||
| Редуктор | d | l | b | t |
| ЦТНД-500 | 160 | 240 | 40 | 169 |
Варіанти складання редуктора ЦТНД-500-63

Схема умовних позначень редуктора ЦТНД-500-63

Редуктор ЦТНД-500-63
Відгуків про цей товар ще не було.
Немає відгуків про цей товар, станьте першим, залиште свій відгук.
Немає питань про даний товар, станьте першим і задайте своє питання.