Редуктор ЦУ-100-5
Циліндричний редуктор ЦУ-100-5
Основним завданням редукторів ЦУ-100-5 є зменшення частоти обертання та збільшення крутного моменту. Конструкція є одноступеневим механізмом, який розміщений в чавунному корпусі. Даний вид механізмів експлуатується у навколишньому середовищі з помірним, вологим або сухим кліматом.
Конструкція редуктора ЦУ-100

Технічні характеристики редуктора ЦУ-100-5
| Характеристика | Значення | |
| Передавальне число | 5 | |
| Допустиме радіальне консольне навантаження, Н | на швидкохідному валу | 630 |
| на тихохідному валу | 2240 | |
| Номінальний крутний момент на тихохідному валу, Н.м | 315 | |
| ККД | 0.98 | |
| Маса, кг | 27 | |
Габаритні та приєднувальні розміри редуктора ЦУ-100
| Редуктор | Aw | A | A1 | В | В1 | Н | Н1 | h | L | L1 |
| ЦУ-100-2.5 | 100 | 224 | 95 | 140 | 132 | 224 | 112 | 22 | 315 | 265 |
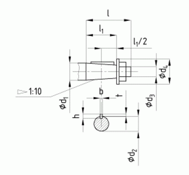
Приєднувальні розміри вихідних валів редуктора ЦУ

Характеристики швидкохідного вала
| Редуктор | d | d1 | l | l1 | b | t |
| ЦУ-100 | 25 | М16х1.5 | 60 | 42 | 5 | 13.45 |
Характеристики тихохідного валу
| Редуктор | d | d1 | l | l1 | b | t |
| ЦУ-100 | 35 | М20х1.5 | 80 | 58 | 6 | 18.55 |
Варіанти збирання редуктора ЦУ

Приклад умовного позначення редуктора ЦУ-100

Щоб купити редуктор ЦУ потрібно заповнити форму заявки на сторінці товару, а також зателефонувати за телефонами, зазначеними на сайті. Для постійних клієнтів є гнучка система знижок. Компанія «Промпривод» пропонує широкий асортимент запасних частин для приладів різних типів. Перед відправленням кожен редуктор проходить перевірку у відділі технічного контролю. Здійснюємо швидку та своєчасну доставку редукторів по всіх регіонах України.
Редуктор ЦУ-100-5
Відгуків про цей товар ще не було.
Немає відгуків про цей товар, станьте першим, залиште свій відгук.
Немає питань про даний товар, станьте першим і задайте своє питання.