Редуктор ЦУ-160-4
Циліндричний редуктор ЦУ-160-4
Редуктор ЦУ-160-4 експлуатується та встановлюється у навколишньому середовищі з помірним, тропічним та сухим кліматом з температурою від -40 до +40 С. Конструкція є одноступінчастим механізмом з паралельним розташуванням валів. Умови роботи:
- Змінне або постійне навантаження з періодичними зупинками.
- Можливість обертання валів у будь-який бік.
- Вхідний вал не повинен мати частоту обертання, яка перевищує 1800 об/хв.
Конструкція редуктора ЦУ-160

Технічні характеристики редуктора ЦУ-160-4
| Характеристика | Значення | |
| Передавальне число | 4 | |
| Допустиме | на швидкохідному валу | 1250 |
| на тихохідному валу | 4500 | |
| Номінальний крутний момент на тихохідному валу, Н.м | 1250 | |
| ККД | 0.98 | |
| Маса, кг | 78 | |
Габаритні та приєднувальні розміри редуктора ЦУ-160
| Редуктор | Aw | A | A1 | В | В1 | Н | Н1 | h | L | L1 |
| ЦУ-160-4 | 160 | 355 | 125 | 185 | 175 | 335 | 170 | 28 | 475 | 405 |
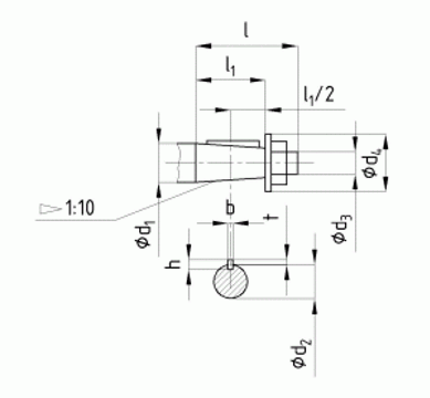
Приєднувальні розміри вихідних валів редуктора ЦУ

Характеристики швидкохідного валу
| Редуктор | d | d1 | l | l1 | b | t |
| ЦУ-160 | 45 | М30х2.0 | 110 | 82 | 12 | 23.45 |
Характеристики тихохідного валу
| Редуктор | d | d1 | l | l1 | b | t |
| ЦУ-160 | 55 | М36х3.0 | 110 | 82 | 14 | 28.95 |
Варіанти складання редуктора ЦУ

Приклад умовного позначення редуктора ЦУ-160

Щоб купити редуктор ЦУ потрібно заповнити форму заявки на сторінці товару, а також зателефонувати за телефонами, зазначеними на сайті. Для постійних клієнтів є гнучка система знижок. Компанія «Промпривод» пропонує широкий асортимент запасних частин для приладів різних типів. Перед відправленням кожен редуктор проходить перевірку у відділі технічного контролю. Здійснюємо швидку та своєчасну доставку редукторів у всіх регіонах України.
Редуктор ЦУ-160-4
Відгуків про цей товар ще не було.
Немає відгуків про цей товар, станьте першим, залиште свій відгук.
Немає питань про даний товар, станьте першим і задайте своє питання.