Редуктор ЦУ-200-2
Циліндричний редуктор ЦУ-200-2
Редуктор ЦУ-200-2 виконаний у вигляді одноступінчастого механізму з паралельним розміщенням валів, що встановлюється у чавунному корпусі. Такий тип приладів експлуатується та встановлюється у навколишньому середовищі з помірним або вологим кліматом з температурою від -40 С до +40 С.
Конструкція редуктора ЦУ-200

Технічні характеристики редуктора ЦУ-200-2
| Характеристика | Значення | |
| Передавальне число | 2 | |
| Допустиме | на швидкохідному валу | 2800 |
| на тихохідному валу | 6300 | |
| Номінальний крутний момент на тихохідному валу, Н.м | 2500 | |
| ККД | 0.98 | |
| Маса, кг | 135 | |
Габаритні та приєднувальні розміри редуктора ЦУ-200
| Редуктор | Aw | A | A1 | В | В1 | Н | Н1 | h | L | L1 |
| ЦУ-200-2 | 200 | 437 | 165 | 212 | 200 | 425 | 212 | 36 | 670 | 580 |
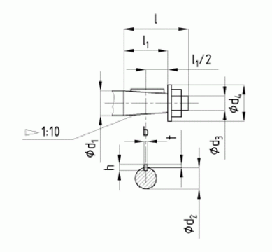
Приєднувальні розміри вихідних валів редуктора ЦУ

Характеристики швидкохідного валу
| Редуктор | d | d1 | l | l1 | b | t |
| ЦУ-200 | 55 | М36х3.0 | 110 | 82 | 14 | 28.95 |
Характеристики тихохідного валу
| Редуктор | d | d1 | l | l1 | b | t |
| ЦУ-160 | 70 | М48х3.0 | 140 | 105 | 18 | 36.38 |
Варіанти складання редуктора ЦУ

Приклад умовного позначення редуктора ЦУ-200

Щоб купити редуктор ЦУ, потрібно заповнити форму заявки на сторінці товару, а також зателефонувати за телефонами, вказаними на сайті. Для постійних клієнтів є гнучка система знижок. Компанія «Промпривод» пропонує широкий асортимент запасних частин для різних типів приладів. Перед відправкою кожен редуктор проходить перевірку у відділі технічного контролю. Здійснюємо швидку та своєчасну доставку редукторів по всіх регіонах України.
Редуктор ЦУ-200-2
Відгуків про цей товар ще не було.
Немає відгуків про цей товар, станьте першим, залиште свій відгук.
Немає питань про даний товар, станьте першим і задайте своє питання.