Редуктор ЦУ-250-3.15
Циліндричний редуктор ЦУ-250-3.15
Одноступінчастий редуктор ЦУ-250-3.15 використовується в загальному машинобудуванні для того, щоб збільшити момент, що крутить, а також зменшити частоту обертання для різноманітних механізмів і машин.
Такий вид редуктора має вигляд механізму з паралельним розміщенням валів, що встановлюється у чавунному корпусі. Експлуатується в невибухонебезпечному та неагресивному навколишньому середовищі з температурою в межах від -40 С до +40 С.
Конструкція редуктора ЦУ-250

Технічні характеристики редуктора ЦУ-250-3.15
| Характеристика | Значення | |
| Передавальне число | 3.15 | |
| Допустиме | на швидкохідному валу | 4000 |
| на тихохідному валу | 9000 | |
| Номінальний крутний момент на тихохідному валу, Н.м | 5000 | |
| ККД | 0.98 | |
| Маса, кг | 250 | |
Габаритні та приєднувальні розміри редуктора ЦУ-250
| Редуктор | Aw | A | A1 | В | В1 | Н | Н1 | h | L | L1 |
| ЦУ-250-3.15 | 250 | 545 | 185 | 265 | 250 | 530 | 265 | 40 | 710 | 615 |
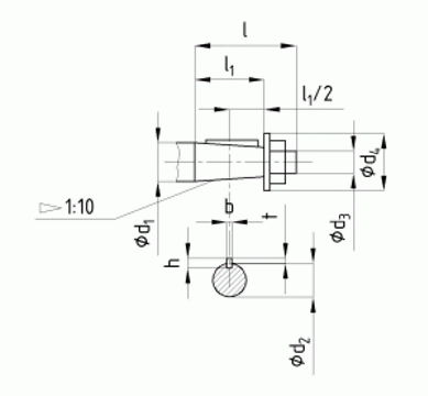
Приєднувальні розміри вихідних валів редуктора ЦУ

Характеристики швидкохідного валу
| Редуктор | d | d1 | l | l1 | b | t |
| ЦУ-250 | 70 | М48х3.0 | 140 | 105 | 18 | 36.38 |
Характеристики тихохідного валу
| Редуктор | d | d1 | l | l1 | b | t |
| ЦУ-250 | 90 | М64х4.0 | 170 | 130 | 22 | 46.75 |
Варіанти складання редуктора ЦУ

Приклад умовного позначення редуктора ЦУ-250
Щоб купити редуктор ЦУ потрібно заповнити форму заявки на сторінці товару, а також зателефонувати за телефонами, зазначеними на сайті. Для постійних клієнтів є гнучка система знижок. Компанія «Промпривод» пропонує широкий асортимент запасних частин для редукторів різних типів. Перед відправленням кожен редуктор проходить перевірку у відділі технічного контролю. Здійснюємо швидку та своєчасну доставку редукторів по всіх регіонах України.
Відгуків про цей товар ще не було.
Немає відгуків про цей товар, станьте першим, залиште свій відгук.
Немає питань про даний товар, станьте першим і задайте своє питання.
