Редуктор ЦУ-250-4
Циліндричний редуктор ЦУ-250-4
Редуктор ЦУ-250-4 виконаний у вигляді одноступінчастого механізму, що має паралельне розміщення валів та встановлюється у корпусі з чавуну. Використовується у вибухобезпечних приміщеннях з температурою в межах від -40 С до +40 С.
Даний вид приладів використовується у виробничих галузях, щоб збільшити крутний момент, а також зменшити частоту обертання різних механізмів та машин. Здатний до постійної роботи при змінних або постійних навантаженнях з періодичними зупинками.
Конструкція редуктора ЦУ-250

Технічні характеристики редуктора ЦУ-250-4
| Характеристика | Значення | |
| Передавальне число | 4 | |
| Допустиме | на швидкохідному валу | 4000 |
| на тихохідному валу | 9000 | |
| Номінальний крутний момент на тихохідному валу, Н.м | 5000 | |
| ККД | 0.98 | |
| Маса, кг | 250 | |
Габаритні та приєднувальні розміри редуктора ЦУ-250
| Редуктор | Aw | A | A1 | В | В1 | Н | Н1 | h | L | L1 |
| ЦУ-250-4 | 250 | 545 | 185 | 265 | 250 | 530 | 265 | 40 | 710 | 615 |
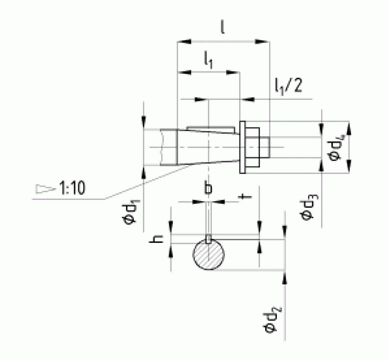
Приєднувальні розміри вихідних валів редуктора ЦУ

Характеристики швидкохідного валу
| Редуктор | d | d1 | l | l1 | b | t |
| ЦУ-250 | 70 | М48х3.0 | 140 | 105 | 18 | 36.38 |
Характеристики тихохідного валу
| Редуктор | d | d1 | l | l1 | b | t |
| ЦУ-250 | 90 | М64х4.0 | 170 | 130 | 22 | 46.75 |
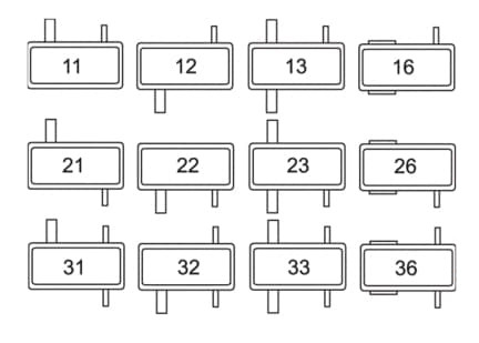
Варіанти складання редуктора ЦУ

Приклад умовного позначення редуктора ЦУ-250

Щоб купити редуктор ЦУ потрібно заповнити форму заявки на сторінці товару, а також зателефонувати за телефонами, зазначеними на сайті. Для постійних клієнтів є гнучка система знижок. Компанія «Промпривод» пропонує широкий асортимент запасних частин для редукторів різних типів. Перед відправленням кожен редуктор проходить перевірку у відділі технічного контролю. Здійснюємо швидку та своєчасну доставку редукторів по всіх регіонах України.
Редуктор ЦУ-250-4
Відгуків про цей товар ще не було.
Немає відгуків про цей товар, станьте першим, залиште свій відгук.
Немає питань про даний товар, станьте першим і задайте своє питання.