Редуктор типу РГЛ-160
Редуктор глобоїдний спеціальний РГЛ-160
Редуктор глобоїдний РГЛ 160 використовується для комплектації ліфтових лебідок, але також може застосовуватися на інше обладнання. Дані пристрої використовуються як на вантажний ліфт, так і на пасажирський. Використовується разом із електродвигуном із фланцевим виконанням.
Характерною особливістю редуктора РГСЛ є його здатність нести значне консольне навантаження на вихідному валу при постійному, що не залежить від передавального числа, моменті, що крутить.
Замовити редуктори ви можете зателефонувавши за телефоном, вказаним на сайті. Наші менеджери допоможуть вам з вибором пристрою, а також підберуть для вас зручний спосіб доставки та оплати. Співпрацюючи з компанією «Промпривод», ви отримуєте низку переваг:
- Усі редуктори найвищої якості.
- Максимально швидка обробка та виконання замовлень.
- Професійне консультування.
- Доставка по всіх куточках України, будь-яким зручним для вас способом.
Габаритні та приєднувальні розміри
Технічні характеристики редукторів
| Тип | iN | n1 | Р1 | Т2 | FRA |
| хв-1 | кВт | Н·м | Н | ||
| РГЛ-160 | 10 | 1000 | 17,1 | 1500 | 32000 |
| 16 | 10,9 | ||||
| 20 | 8,6 | ||||
| 25 | 7,2 | ||||
| 31,5 | 6,2 | ||||
| 40 | 5,0 | ||||
| 50 | 4,1 | ||||
| 63 | 3,5 |
Розміри вхідних конічних валів, мм
| Типорозмір | d | I | I1 | b | t |
| РГЛ- 160 | 45 | 80 | 61 | 14 | 25 |
Розміри вихідних конічних валів, мм
| Типорозмір | d | I | I1 | b | t |
| РГЛ- 160 | 90 | 170 | 140 | 22 | 46,75 |
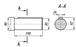
Вихідний вал циліндричний для редуктора РГЛ-160

Схеми складання редукторів

Умовне позначення

Примітка
Виконання кінця тихохідного валу може бути конічним - К або циліндричним - Ц.
Редуктори експлуатуються при частоті обертання черв'яка 1000 об/хв. Допускається експлуатація при обертанні черв'яка 1500 об/хв із зменшеним на 20% моментом, що крутить.
Редуктор типа РГЛ-160
Відгуків про цей товар ще не було.
Немає відгуків про цей товар, станьте першим, залиште свій відгук.
Немає питань про даний товар, станьте першим і задайте своє питання.
