Редуктор типу РГЛ-180
Редуктор глобоїдний спеціальний РГЛ-180
Редуктор спеціальний ліфтовий глобоїдний РГЛ-180 застосовується для комплектації ліфтової лебідки для вантажного та пасажирського ліфта. Пристрої експлуатуються в районах з помірним кліматом (виконання У), категорії розміщення 1-3 та 5 за ГОСТ 15150-69.
Редуктори РГЛ повинні встановлюватися в приміщеннях з температурою довкілля від -15° до +40°С та експлуатуватися у вибухобезпечній та не агресивній зовнішній середовищі.
Замовити редуктори ви можете зателефонувавши за телефоном, вказаним на сайті. Наші менеджери допоможуть вам з вибором пристрою, а також підберуть для вас зручний спосіб доставки та оплати. Співпрацюючи з компанією «Промпривод», ви отримуєте низку переваг:
- Усі редуктори найвищої якості.
- Максимально швидка обробка та виконання замовлень.
- Професійне консультування.
- Доставка по всіх куточках України, будь-яким зручним для вас способом.
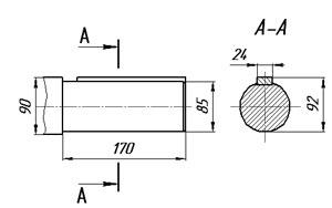
Габаритні та приєднувальні розміри
Технічні характеристики редукторів
| Тип | iN | n1 | Р1 | Т2 | FRA |
| хв-1 | кВт | Н·м | Н | ||
| РГЛ-180 | 28,5 | 1000 | 7,1 | 1300 | 50000 |
| 35 | 9 | 1680 | |||
| 45 | 7 | 2020 |
Розміри вхідних конічних валів, мм
| Типорозмір | d | I | I1 | b | t |
| РГЛ-80 | 65 | 140 | 108 | 16 | 35 |
Розміри вихідних конічних валів, мм
| Типорозмір | d | I | I1 | b | t |
| РГЛ-80 | 120 | 210 | 155 | 28 | 62 |
Вихідний вал циліндричний для редуктора РГЛ-180

Схеми складання редукторів

Умовне позначення

Примітка
Виконання кінця тихохідного валу може бути конічним - К або циліндричним - Ц.
Редуктори експлуатуються при частоті обертання черв'яка 1000 об/хв. Допускається експлуатація при обертанні черв'яка 1500 об/хв зі зменшеним на 20% моментом, що крутить.
Редуктор типа РГЛ-180
Відгуків про цей товар ще не було.
Немає відгуків про цей товар, станьте першим, залиште свій відгук.
Немає питань про даний товар, станьте першим і задайте своє питання.
