Редуктор типу РГЛ-225
Редуктор глобоїдний спеціальний РГЛ-225
Редуктор ліфтовий глобоїдний РГЛ 225 використовується для комплектації ліфтових лебідок, але також може застосовуватися на інше обладнання. Ліфтова лебідка складається з електродвигуна з'єднаного з редуктором, сполучної муфти, гальмівного пристрою та барабана для намотування каната.
Допускається експлуатація редукторів при частоті обертання черв'ячного валу 1500 об/хв зі зменшеним на 20% моментом, що крутить. Допускається експлуатація редукторів при безперервному режимі роботи зі зменшеним на 40% навантаженням.
Замовити редуктори ви можете зателефонувавши за телефоном, вказаним на сайті. Наші менеджери допоможуть вам з вибором пристрою, а також підберуть для вас зручний спосіб доставки та оплати. Співпрацюючи з компанією «Промпривод», ви отримуєте низку переваг:
- Усі редуктори найвищої якості.
- Максимально швидка обробка та виконання замовлень.
- Професійне консультування.
- Доставка по всіх куточках України, будь-яким зручним для вас способом.
Габаритні та приєднувальні розміри
| Типорозмір | L | L1 | I | I1 | Н | H1 | d | В | B1 | з | А | А1 | А2 |
| РГЛ-225 | 985 | 740 | 525 | 470 | 745 | 225 | 26 | 490 | 420 | 30 | 600 | 520 | 260 |
Технічні характеристики редукторів
| Тип | iN | n1 | Р1 | Т2 | FRA |
| хв-1 | кВт | Н·м | Н | ||
| РГЛ-225 | 35 | 1000 | 17 | 4500 | 65000 |
| 45 | 15 |
Розміри вхідних конічних валів, мм
| Типорозмір | d | I | I1 | b | t |
| РГЛ-225 | 70 | 140 | 105 | 18 | 36,375 |
Розміри вихідних конічних валів, мм
| Типорозмір | d | I | I1 | b | t |
| РГЛ-225 | 120 | 210 | 165 | 28 | 61,875 |
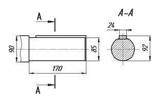
Вихідний вал циліндричний для редуктора РГЛ-225

Схеми складання редукторів

Умовне позначення
Примітка
Виконання кінця тихохідного валу може бути конічним - К або циліндричним - Ц.
Редуктори експлуатуються при частоті обертання черв'яка 1000 об/хв. Допускається експлуатація при обертанні черв'яка 1500 об/хв зі зменшеним на 20% моментом, що крутить.
Редуктор типа РГЛ-225
Відгуків про цей товар ще не було.
Немає відгуків про цей товар, станьте першим, залиште свій відгук.
Немає питань про даний товар, станьте першим і задайте своє питання.

