Редуктор ВК-350-14
Крановий редуктор ВК-350-14
Циліндричний редуктор ВК-350-14 застосовується в крановому обладнанні в механізмах для його пересування. Його завданням є зміна показників обертання електроприводу. Даний редуктор може працювати в постійному режимі або з періодичними паузами, а завдяки можливості обертання валів у будь-якому напрямку він також може застосовуватися в реверсному режимі.
Редуктор ВК-350-14 виконується в чавунному корпусі і має триступінчастий механізм з циліндричним типом передачі. Він експлуатується в багатьох кліматичних умовах при помірній вологості та запиленості. Температура довкілля може бути в межах -40…+50 градусів за Цельсієм.
Компанія виробник «Промпривод» пропонує Вам придбати редуктор ВК-350-14 у нас на сайті за ціною на 3-10% нижче за ринок. Для отримання додаткових відповідей на Ваші запитання та допомоги при виборі потрібного редуктора, Ви можете зателефонувати на номер вказаний на сайті. Доставка товару здійснюється по всій Україні в максимально короткі терміни. Для постійних клієнтів та оптових покупців діє гнучка система знижок.
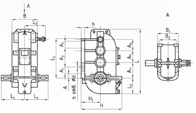
Схема габаритних і приєднувальних розмірів редуктора ВК-350-14

| awб | awпр | awт | a | B | B1 | B2 | B3 | B4 | B5 | H | Н0 | L | L1 | М | З |
| 90 | 130 | 130 | 20 | 170 | 197,5 | 180 | 220 | - | 185 | 298 | 160 | 558 | 280 | 140 | 132 |
| S | S1 | S2 | Ød | Ød1 | Ød2 | Ød3 | d4 | l1 | l2 | l3 | b1 | b2 | t1 | t2 | n отв |
| 50 | - | 185 | 17 | 30 | М20x1,5 | 45 | 35 | 60 | 80 | 55 | 8 | 10 | 16,5 | 38,5 | 4 |
Характеристики кранового кранового редуктора
| Типорозмір | ВК-350 | ||
| Номінальне передавальне | 14,0 | ||
| Номінальний крутний момент | 10 (600) | Важкий | 423 |
| Середній | 490 | ||
| Легкий | 579 | ||
| Особливо легкий | 802 | ||
| 12,5 (750) | Важкий | 410 | |
| Середній | 499 | ||
| Легкий | 570 | ||
| Особливо легкий | 784 | ||
| 16,6 (1000) | Важкий | 401 | |
| Середній | 468 | ||
| Легкий | 535 | ||
| Особливо легкий | 762 | ||
| Найбільший короткочасно допустимий момент, що крутить, на тихохідному валу, Тmax, Н×м | 13500 | ||
| Маса, кг, не більше | 77 | ||
Варіанти складання редуктора ВК-350-14

Приклад умовного позначення редуктора ВК-350-14

Редуктор ВК-350-14
Відгуків про цей товар ще не було.
Немає відгуків про цей товар, станьте першим, залиште свій відгук.
Немає питань про даний товар, станьте першим і задайте своє питання.