Редуктор ВК-350-31.5
Редуктор крановий ВК-350-31.5
Спеціальний редуктор ВК-350-31.5 застосовується в устаткуванні для пересування кранів. Його завданням є зменшити кількість обертів і збільшити момент приводу, що крутить.
Редуктор ВК-350-31.5 конструкційно складається з корпусу, виконаного з чавуну та механізму з циліндричним типом передачі. Міжосьова відстань його дорівнює 350 мм, а передавальне число 31.5i. Працює з обертанням валів у будь-якому напрямку та за різних типів навантаження. Дуже надійний, довговічний та простий у використанні.
Купити редуктор ВК-350-31.5 можна на нашому сайті компанії «Промпривод» за найвигіднішою ціною. Для оформлення заявки, Вам лише потрібно зателефонувати нашим менеджерам на вказаний на сайті номер або зробити це онлайн.
При купівлі товару у нас Ви отримуєте не тільки найвищу якість виробу, але й:
- оригінальний паспорт,
- гарантію 12 місяців,
- оперативну доставку по всій території України.
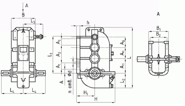
Схема габаритних і приєднувальних розмірів редуктора ВК-350-31.5

| awб | awпр | awт | a | B | B1 | B2 | B3 | B4 | B5 | H | Н0 | L | L1 | М | З |
| 90 | 130 | 130 | 20 | 170 | 197,5 | 180 | 220 | - | 185 | 298 | 160 | 558 | 280 | 140 | 132 |
| S | S1 | S2 | Ød | Ød1 | Ød2 | Ød3 | d4 | l1 | l2 | l3 | b1 | b2 | t1 | t2 | n отв. |
| 50 | - | 185 | 17 | 30 | М20x1,5 | 45 | 35 | 60 | 80 | 55 | 8 | 10 | 16,5 | 38,5 | 4 |
Характеристики кранового кранового редуктора
| Типорозмір | ВК-350 | ||
| Номінальне передавальне | 31.5 | ||
| Номінальний крутний момент | 10 (600) | Важкий | 501 |
| Середній | 552 | ||
| Легкий | 652 | ||
| Особливо легкий | 902 | ||
| 12,5 (750) | Важкий | 481 | |
| Середній | 562 | ||
| Легкий | 642 | ||
| Особливо легкий | 882 | ||
| 16,6 (1000) | Важкий | 481 | |
| Середній | 541 | ||
| Легкий | 632 | ||
| Особливо легкий | 872 | ||
| Найбільший короткочасно допустимий момент, що крутить, на тихохідному валу, Тmax, Н×м | 13500 | ||
| Маса, кг, не більше | 77 | ||
Варіанти складання редуктора ВК-350-31.5

Приклад умовного позначення редуктора ВК-350-31.5

Редуктор ВК-350-31.5
Відгуків про цей товар ще не було.
Немає відгуків про цей товар, станьте першим, залиште свій відгук.
Немає питань про даний товар, станьте першим і задайте своє питання.