Редуктор ВК-350-50
Редуктор крановий ВК-350-50
Циліндричний редуктор ВК-350-50, який називають крановим, застосовується в пристроях пересування кранового обладнання. Його монтують у парі з електроприводом для зміни показників числа обертів і моменту, що крутить. Працювати він може у постійному та змінному режимі з різними типами навантаження. Цей редуктор відноситься до категорії вертикальних пристроїв.
Механізм редуктора ВК-350-50 має три ступені передачі з міжосьовою відстанню 350 мм і передатним відношенням 50i. Розташований він у чавунному корпусі. Експлуатація можлива в багатьох кліматичних умовах за помірної запиленості та вологості. Температура навколишнього середовища має бути в межах від -40 до +50 градусів за Цельсієм. Для збільшення терміну придатності не рекомендується застосовувати їх у агресивному середовищі.
Компанія виробник «Промпривод» пропонує Вам придбати редуктор ВК-350-50 у нас на сайті з гарантією якості 12 місяців. Для отримання додаткових відповідей на Ваші запитання та допомоги при виборі потрібного редуктора, Ви можете зателефонувати на номер вказаний на сайті. Доставка товару здійснюється по всій Україні в максимально короткі терміни.
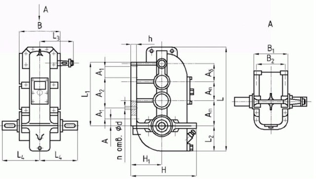
Схема габаритних і приєднувальних розмірів редуктора ВК-350-50

| awб | awпр | awт | a | B | B1 | B2 | B3 | B4 | B5 | H | Н0 | L | L1 | М | З |
| 90 | 130 | 130 | 20 | 170 | 197,5 | 180 | 220 | - | 185 | 298 | 160 | 558 | 280 | 140 | 132 |
| S | S1 | S2 | Ød | Ød1 | Ød2 | Ød3 | d4 | l1 | l2 | l3 | b1 | b2 | t1 | t2 | n отв. |
| 50 | - | 185 | 17 | 30 | М20x1,5 | 45 | 35 | 60 | 80 | 55 | 8 | 10 | 16,5 | 38,5 | 4 |
Характеристики кранового кранового редуктора
| Типорозмір | ВК-350 | ||
| Номінальне передавальне | 50,0 | ||
| Номінальний крутний момент | 10 (600) | Важкий | 478 |
| Середній | 557 | ||
| Легкий | 637 | ||
| Особливо легкий | 875 | ||
| 12,5 (750) | Важкий | 478 | |
| Середній | 573 | ||
| Легкий | 637 | ||
| Особливо легкий | 891 | ||
| 16,6 (1000) | Важкий | 478 | |
| Середній | 573 | ||
| Легкий | 621 | ||
| Особливо легкий | 860 | ||
| Найбільший короткочасно допустимий момент, що крутить, на тихохідному валу, Тmax, Н×м | 13500 | ||
| Маса, кг, не більше | 77 | ||
Варіанти складання редуктора ВК-350-50

Приклад умовного позначення редуктора ВК-350-50

Редуктор ВК-350-50
Відгуків про цей товар ще не було.
Немає відгуків про цей товар, станьте першим, залиште свій відгук.
Немає питань про даний товар, станьте першим і задайте своє питання.