Редуктори типу КЦ2 складання 41
Редуктори конічно-циліндричні триступінчасті типу КЦ2 складання 41
Редуктори КЦ2 розроблені для використання в механізмах підйомно-кранового обладнання у різних галузях промисловості та виробництва. Основний обов'язок таких конічно-циліндричних агрегатів полягає у перетворенні показників частоти обертання та крутного моменту. Такий пристрій однаково продуктивно працює як у режимі 24 години, так і з періодичними зупинками. Для безперебійної та тривалої роботи середня швидкість валів пристрою не повинна перевищувати 1500 обертів на хвилину.
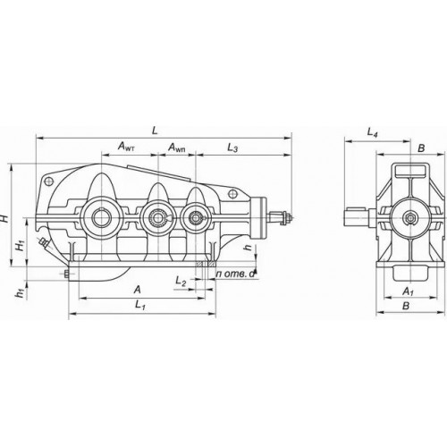
Виробляють редуктори відповідно до різних варіантів складання. Представлений 41 варіант складання має горизонтальне положення вхідного і вихідного кінців валів. Осі редуктора перетинаються під прямим кутом. Також апарат оснащений кількома напіввалами для зручного або альтернативного монтування агрегату.
Купити редуктори КЦ2 ви можете на сайті компанії-виробника «Промпривод» за доступними цінами. Всі агрегати проходять ряд додаткових перевірок, запобігаючи будь-якому, навіть найменшому браку. Зателефонувавши за телефоном, вказаним на сайті, ви отримаєте детальну консультацію щодо підбору редукторів і комплектуючих запчастин. Доставка можлива до будь-якого населеного пункту країни.
Умовне позначення варіанта складання 41

Конструкція редуктора КЦ2

Технічні характеристики редуктора КЦ2
| Найменування технічних характеристик | Тип редуктора | |||
| КЦ2-500 | КЦ2-750 | КЦ2-1000 | КЦ2-1300 | |
| Передавальні числа | 28; 45; 71; 112; 180 | |||
| Допустиме консольне навантаження, на тихохідному валу, Н | 11500 | 15500 | 28000 | 75000 |
| Номінальний момент, що крутить, на тихохідному валу, Н•м | 2300 | 6750 | 16500 | 37500 |
| ККД | 0,91 | |||
| Маса кг | 490 | 1240 | 2658 | 5100 |
| Тип редуктора | Аwt | Awn | A | A1 | B | H | H1 | h |
| КЦ2-500 | 300 | 200 | 705 | 300 | 350 | 600 | 315 | 25 |
| КЦ2-750 | 450 | 300 | 1120 | 470 | 550 | 765 | 335 | 35 |
| КЦ2-1000 | 600 | 400 | 1530 | 600 | 690 | 956 | 400 | 40 |
| КЦ2-1300 | 800 | 500 | 2020 | 740 | 850 | 1282 | 530 | 50 |
| тип редуктора | h1 | L | L1 | L2 | L3 | L4 | d | n |
| КЦ2-500 | - | 1300 | 830 | 90 | 460 | 327 | 22 | 6 |
| КЦ2-750 | 130 | 1883 | 1260 | 120 | 625 | 464 | 33 | 10 |
| КЦ2-1000 | 200 | 2482 | 1700 | 165 | 848 | 615 | 33 | 10 |
| КЦ2-1300 | 240 | 3178 | 2200 | 220 | 1030 | 790 | 39 | 10 |
Приклад умовного позначення редуктора КЦ2

Редукторы типа КЦ2 сборки 41
Відгуків про цей товар ще не було.
Немає відгуків про цей товар, станьте першим, залиште свій відгук.
Немає питань про даний товар, станьте першим і задайте своє питання.