Редуктори типу КЦ2 складання 42
Редуктори конічно-циліндричні триступінчасті типу КЦ2 складання 42
Редуктори КЦ2 відносяться до пристроїв із комбінованим способом передачі. Такі механізми використовують для зміни моменту, що крутить, і частоти обертання валу. Область застосування включає багато сфер промисловості і виробництва, наприклад, машинобудування. Редуктор має практично не обмежений термін служби та високий рівень ККД.
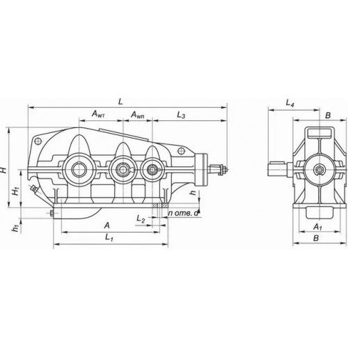
Редуктори КЦ2 можуть бути складені відповідно до варіанта складання 42, описаного в ГОСТ 20373-94. Основні особливості такого складання полягають у наступних характеристиках:
- Осі редуктора перетинаються під кутом 90 градусів.
- Вхідний та вихідний вал знаходяться в горизонтальному положенні.
- Кінці валів складені під муфти або у вигляді частини зубчастої муфти.
- Має один швидкохідний та один тихохідний вал.
Компанія-виробник «Промпривод» пропонує великий вибір редукторів 42 варіанта складання. Усі агрегати проходять перевірки та мають сертифікати якості. Відправлення здійснюється завжди у раніше обумовлені терміни та можливе до будь-якого населеного пункту України. Для постійних клієнтів та оптових покупців діє гнучка система знижок.
Умовне позначення варіанта складання 42

Конструкція редуктора КЦ2

Технічні характеристики редуктора КЦ2
| Найменування технічних характеристик | Тип редуктора | |||
| КЦ2-500 | КЦ2-750 | КЦ2-1000 | КЦ2-1300 | |
| Передавальні числа | 28; 45; 71; 112; 180 | |||
| Допустиме консольне навантаження, на тихохідному валу, Н | 11500 | 15500 | 28000 | 75000 |
| Номінальний момент, що крутить, на тихохідному валу, Н•м | 2300 | 6750 | 16500 | 37500 |
| ККД | 0,91 | |||
| Маса, кг | 490 | 1240 | 2658 | 5100 |
| Тип редуктора | Аwt | Awn | A | A1 | B | H | H1 | h |
| КЦ2-500 | 300 | 200 | 705 | 300 | 350 | 600 | 315 | 25 |
| КЦ2-750 | 450 | 300 | 1120 | 470 | 550 | 765 | 335 | 35 |
| КЦ2-1000 | 600 | 400 | 1530 | 600 | 690 | 956 | 400 | 40 |
| КЦ2-1300 | 800 | 500 | 2020 | 740 | 850 | 1282 | 530 | 50 |
| тип редуктора | h1 | L | L1 | L2 | L3 | L4 | d | n |
| КЦ2-500 | - | 1300 | 830 | 90 | 460 | 327 | 22 | 6 |
| КЦ2-750 | 130 | 1883 | 1260 | 120 | 625 | 464 | 33 | 10 |
| КЦ2-1000 | 200 | 2482 | 1700 | 165 | 848 | 615 | 33 | 10 |
| КЦ2-1300 | 240 | 3178 | 2200 | 220 | 1030 | 790 | 39 | 10 |
Приклад умовного позначення редуктора КЦ2

Редукторы типа КЦ2 сборки 42
Відгуків про цей товар ще не було.
Немає відгуків про цей товар, станьте першим, залиште свій відгук.
Немає питань про даний товар, станьте першим і задайте своє питання.