Редуктори типу КЦ2 складання 43
Редуктори конічно-циліндричні триступінчасті типу КЦ2 складання 43
На сьогоднішній день конічно-циліндричні редуктори КЦ2 відносяться до найпопулярнішої групи промислових редукторів. Використовують агрегати для створення конвеєрних систем, а також встановлюють їх на різне підйомно-кранове обладнання. Редуктори розраховані на постійне та змінне навантаження в одному напрямку або реверсивному. Вали пристрою можуть обертатися як уперед, так і назад.
Одним із важливих показників під час купівлі редуктора є його варіант складання. Ми пропонуємо придбати цей агрегат 43 варіанта складання. Дане складання характерне такими показниками: кінці валів складені у вигляді зубчастої муфти, вхідний та вихідний вал розташований горизонтально, осі пристрою перетинаються під прямим кутом. Дані редуктори довговічні та показують високий рівень ККД.
Зателефонувавши за телефоном, вказаним на сайті, ви отримаєте професійну та докладну консультацію щодо вибору редуктора та комплектуючих частин. Також компанія-виробник «Промпривод» надає широкий вибір агрегатів різних варіантів складання. Всі пристрої мають сертифікат якості та гарантію на 12 місяців. Доставка можлива по всій Україні. Для постійних клієнтів та оптових покупців діє гнучка система знижок.
Умовне позначення варіанта складання 43

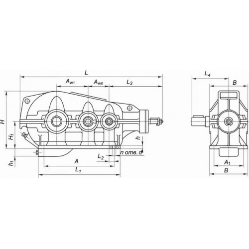
Конструкція редуктора КЦ2

Технічні характеристики редуктора КЦ2
| Найменування технічних характеристик | Тип редуктора | |||
| КЦ2-500 | КЦ2-750 | КЦ2-1000 | КЦ2-1300 | |
| Передавальні числа | 28; 45; 71; 112; 180 | |||
| Допустиме консольне навантаження, на тихохідному валу, Н | 11500 | 15500 | 28000 | 75000 |
| Номінальний момент, що крутить, на тихохідному валу, Н•м | 2300 | 6750 | 16500 | 37500 |
| ККД | 0,91 | |||
| Маса, кг | 490 | 1240 | 2658 | 5100 |
| Тип редуктора | Аwt | Awn | A | A1 | B | H | H1 | h |
| КЦ2-500 | 300 | 200 | 705 | 300 | 350 | 600 | 315 | 25 |
| КЦ2-750 | 450 | 300 | 1120 | 470 | 550 | 765 | 335 | 35 |
| КЦ2-1000 | 600 | 400 | 1530 | 600 | 690 | 956 | 400 | 40 |
| КЦ2-1300 | 800 | 500 | 2020 | 740 | 850 | 1282 | 530 | 50 |
| тип редуктора | h1 | L | L1 | L2 | L3 | L4 | d | n |
| КЦ2-500 | - | 1300 | 830 | 90 | 460 | 327 | 22 | 6 |
| КЦ2-750 | 130 | 1883 | 1260 | 120 | 625 | 464 | 33 | 10 |
| КЦ2-1000 | 200 | 2482 | 1700 | 165 | 848 | 615 | 33 | 10 |
| КЦ2-1300 | 240 | 3178 | 2200 | 220 | 1030 | 790 | 39 | 10 |
Приклад умовного позначення редуктора КЦ2

Редукторы типа КЦ2 сборки 43
Відгуків про цей товар ще не було.
Немає відгуків про цей товар, станьте першим, залиште свій відгук.
Немає питань про даний товар, станьте першим і задайте своє питання.