Циліндричні редуктори 1Ц2У складання 13
Редуктори типу 1Ц2У складання 13
Удосконалений двоступінчастий перетворювач механічних величин 1Ц2У служить для зміни моменту обертання, яке відбувається через зменшення кутової швидкості обертання валів механізму.
Даний редуктор може бути складений у варіанті складання 13, яке описане в ГОСТ 20373-94. Таке складання має на увазі наявність двох кінців тихохідного валу, що дає можливість приєднувати відразу два виконавчі механізми та ускладнювати систему.
Отримайте детальну інформацію про будь-який цікавий для вас редуктор або варіант його складання 13 у менеджерів компанії «Промпривод». У нас ви зможете купити редуктор за найбільш вигідною ціною та з можливістю доставки до будь-якого населеного пункту країни з наданням необхідної документації, що доводить справність та відповідність стандарту кожного придбаного у нас перетворювача, запчастин до нього чи іншого обладнання.
Умовне позначення варіанти складання 13

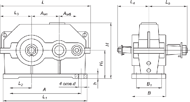
Конструкція редуктора 1Ц2У

Основні технічні характеристики
| Найменування технічних характеристик | Типорозмір редуктора | |||||
| 1Ц2У-100 | 1Ц2У-125 | 1Ц2У-160 | 1Ц2У-200 | 1Ц2У-250 | ||
| Передавальні числа | 8; 10; 12,5; 16; 20; 25; 31,5; 40 | |||||
| Допустиме радіальне консольне | на швидкохідному валу | 500 | 750 | 1000 | 2240 | 3150 |
| на тихохідному валу | 4500 | 6300 | 9000 | 12500 | 18000 | |
| Номінальний момент, що крутить, на тихохідному валу, Н.м. | 315 | 630 | 1250 | 2500 | 5000 | |
| ККД | 0,97 | |||||
| Маса, кг | 20 | 32 | 95 | 170 | 320 | |
Приклад умовного позначення
1Ц2У-100-25-13-У3:
1Ц2У - тип редуктора;
100 - міжосьова відстань;
25 - передавальне число;
13 - варіант складання;
У3 - кліматичне виконання.
Цилиндрические редукторы 1Ц2У сборки 13
Відгуків про цей товар ще не було.
Немає відгуків про цей товар, станьте першим, залиште свій відгук.
Немає питань про даний товар, станьте першим і задайте своє питання.