Циліндричні редуктори 1Ц2У складання 22
Редуктори типу 1Ц2У складання 22
Модифікований двоступінчастий перетворювач типу 1Ц2У відноситься до промислових редукторів, здатних сприймати і конвертувати значення, що надходять на нього, в необхідні для оптимальної роботи автоматизованого приводу.
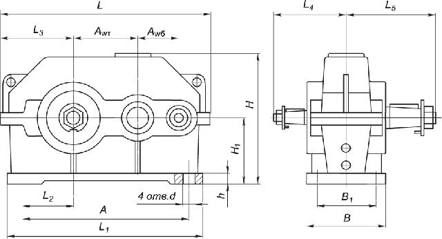
Відповідно до ГОСТ 20373-94 редуктори можуть мати різні варіанти складання. Якщо перетворювач має два виходи валу (швидкохідний та тихохідний), розташованих по один бік, значить, його складання 22.
У каталозі товарів, представленому на сайті компанії «Промпривод», ви знайдете всі найпопулярніші та найактуальніші моделі механічних перетворювачів, що використовуються у виробничих процесах. Звертайтесь до наших менеджерів, щоб купити редуктор недорого з можливістю доставки замовлення до будь-якого населеного пункту країни.
Умовне позначення варіанти складання 22

Конструкція редуктора 1Ц2У

Основні технічні характеристики
| Найменування технічних характеристик | Типорозмір редуктора | |||||
| 1Ц2У-100 | 1Ц2У-125 | 1Ц2У-160 | 1Ц2У-200 | 1Ц2У-250 | ||
| Передавальні числа | 8; 10; 12,5; 16; 20; 25; 31,5; 40 | |||||
| Допустиме радіальне консольне | на швидкохідному валу | 500 | 750 | 1000 | 2240 | 3150 |
| на тихохідному валу | 4500 | 6300 | 9000 | 12500 | 18000 | |
| Номінальний момент, що крутить, на тихохідному валу, Н.м. | 315 | 630 | 1250 | 2500 | 5000 | |
| ККД | 0,97 | |||||
| Маса, кг | 20 | 32 | 95 | 170 | 320 | |
Приклад умовного позначення
1Ц2У-100-25-22-У3:
1Ц2У – тип редуктора;
100 - міжосьова відстань;
25 - передавальне число;
22 - варіант складання;
У3 – кліматичне виконання.
Цилиндрические редукторы 1Ц2У сборки 22
Відгуків про цей товар ще не було.
Немає відгуків про цей товар, станьте першим, залиште свій відгук.
Немає питань про даний товар, станьте першим і задайте своє питання.