Циліндричні редуктори 1Ц2У складання 24
Редуктори типу 1Ц2У складання 24
Двоступінчасті циліндричні перетворювачі швидкості обертання та моменту кручення – редуктори промислові серії 1Ц2У. Вони найчастіше використовуються в кранових підйомних системах, але можуть бути частиною іншого механізму, адже розробляються багатофункціональними. Завдяки особливостям будови ці агрегати відрізняються високою результативністю.
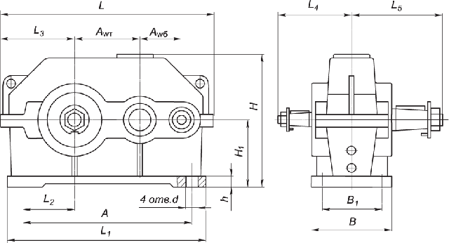
Для використання цього механізму в різних завданнях виробничого характеру він може бути складений відповідно до різних варіантів складання. Для підключення відразу двох виконавчих органів використовується варіант складання 24, відповідно до якого редуктор має один укорочений вихід валу тихохідного, а другий - повноцінний. Це дозволяє зменшити масогабаритні показники конструкції.
Звертайтесь до менеджерів компанії «Промпривод», щоб купити промисловий редуктор за найнижчою в Україні ціною. Ми зобов'язуємося доставити товар у найкоротші терміни, адже маємо в наявності велике складське приміщення і більшість товарів, представлених на сайті, вже є на складі. Ми готові працювати із клієнтами з усіх населених пунктів країни, маючи лояльну програму знижок для оптових покупців.
Умовне позначення варіанти складання 24

Конструкція редуктора 1Ц2У

Основні технічні характеристики
| Найменування технічних характеристик | Типорозмір редуктора | |||||
| 1Ц2У-100 | 1Ц2У-125 | 1Ц2У-160 | 1Ц2У-200 | 1Ц2У-250 | ||
| Передавальні числа | 8; 10; 12,5; 16; 20; 25; 31,5; 40 | |||||
| Допустиме радіальне консольне | на швидкохідному валу | 500 | 750 | 1000 | 2240 | 3150 |
| на тихохідному валу | 4500 | 6300 | 9000 | 12500 | 18000 | |
| Номінальний момент, що крутить, на тихохідному валу, Н.м. | 315 | 630 | 1250 | 2500 | 5000 | |
| ККД | 0,97 | |||||
| Маса, кг | 20 | 32 | 95 | 170 | 320 | |
Приклад умовного позначення
1Ц2У-100-25-24-У3:
1Ц2У – тип редуктора;
100 - міжосьова відстань;
25 - передавальне число;
24 - варіант складання;
У3 – кліматичне виконання.
Цилиндрические редукторы 1Ц2У сборки 24
Відгуків про цей товар ще не було.
Немає відгуків про цей товар, станьте першим, залиште свій відгук.
Немає питань про даний товар, станьте першим і задайте своє питання.