Циліндричні редуктори 1Ц2У складання 26
Редуктори типу 1Ц2У складання 26
Циліндричні перетворювачі серії 1Ц2У відрізняються високими показниками ККД та особливою універсальністю, за рахунок чого використовуються як конвектор робочих величин у більшості промислових процесів. Їх можуть виготовляти в різних варіантах складання, що залежать від специфіки застосування.
Варіант складання 26, описаний у ГОСТ 20373-94, застосовується для тих промислових редукторів, які вимагають підключення відразу кількох виконавчих механізмів, одночасно мають зменшені габарити.
Ознайомитись з найширшим асортиментом перетворювальної техніки та комплектуючих до неї, а також замовити докладну консультацію щодо підбору редуктора, мотор-редукора та іншого механізму ви можете на сайті виробника «Промпривод». Ми працюємо із замовниками по всій Україні, доставляємо товари до будь-якого населеного пункту держави перевіреними транспортними компаніями. У нас ви зможете купити редуктор за найпривабливішою вартістю!
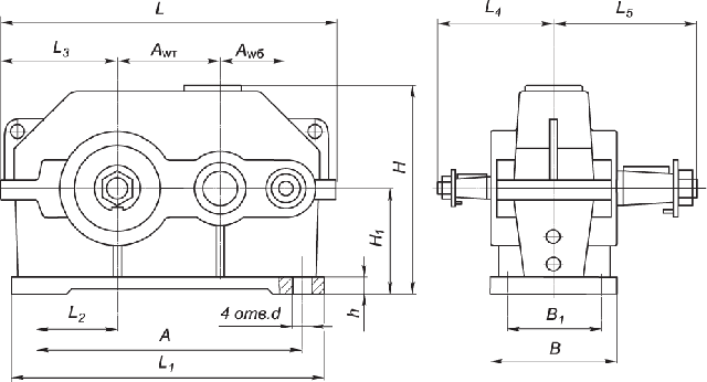
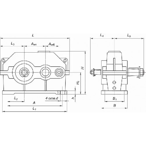
Умовне позначення варіанти складання 26

Конструкція редуктора 1Ц2У

Основні технічні характеристики
| Найменування технічних характеристик | Типорозмір редуктора | |||||
| 1Ц2У-100 | 1Ц2У-125 | 1Ц2У-160 | 1Ц2У-200 | 1Ц2У-250 | ||
| Передавальні числа | 8; 10; 12,5; 16; 20; 25; 31,5; 40 | |||||
| Допустиме радіальне консольне | на швидкохідному валу | 500 | 750 | 1000 | 2240 | 3150 |
| на тихохідному валу | 4500 | 6300 | 9000 | 12500 | 18000 | |
| Номінальний момент, що крутить, на тихохідному валу, Н.м. | 315 | 630 | 1250 | 2500 | 5000 | |
| ККД | 0,97 | |||||
| Маса, кг | 20 | 32 | 95 | 170 | 320 | |
Приклад умовного позначення
1Ц2У-100-25-26-У3:
1Ц2У – тип редуктора;
100 - міжосьова відстань;
25 - передавальне число;
26 - варіант складання;
У3 – кліматичне виконання.
Цилиндрические редукторы 1Ц2У сборки 26
Відгуків про цей товар ще не було.
Немає відгуків про цей товар, станьте першим, залиште свій відгук.
Немає питань про даний товар, станьте першим і задайте своє питання.