Циліндричні редуктори 1Ц2У складання 32
Редуктори типу 1Ц2У складання 32
В якості промислового перетворювача величин використовуються редуктори типу 1Ц2У, які можуть конвертувати параметри моменту і швидкості, що надходять на них, в необхідні для оптимальної роботи системи.
Вони мають циліндричний пристрій, два ступені та зменшені масогабаритні параметри, що відображається в абревіатурі перетворювача.
Варіант складання редуктора 32 дозволяє приєднати до нього відразу кілька електричних двигунів або приладів контролю. Це використовується для здійснення рівномірного розподілу навантаження та підвищення безпеки робочого процесу.
Придбати редуктори різної модифікації можна на сайті компанії «Промпривод». У нас ви знайдете великий асортимент перетворювальної загальнопромислової та спеціалізованої продукції, інформацію про яку вам дадуть менеджери нашої компанії в телефонному режимі або в онлайн-чаті. Телефонуйте нам, щоб купити редуктор на найвигідніших умовах.
Умовне позначення варіанта складання 32

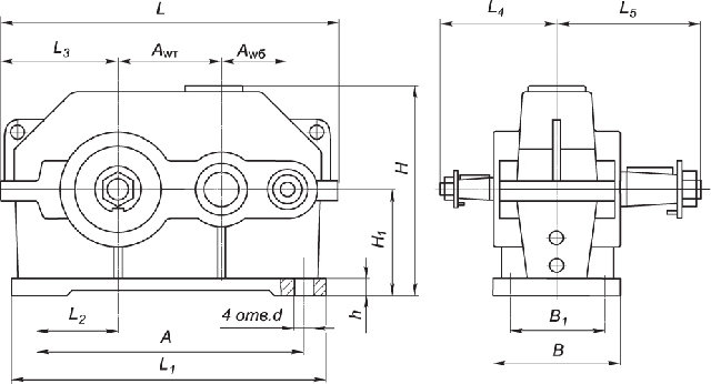
Конструкція редуктора 1Ц2У

Основні технічні характеристики
| Найменування технічних характеристик | Типорозмір редуктора | |||||
| 1Ц2У-100 | 1Ц2У-125 | 1Ц2У-160 | 1Ц2У-200 | 1Ц2У-250 | ||
| Передавальні числа | 8; 10; 12,5; 16; 20; 25; 31,5; 40 | |||||
| Допустиме радіальне консольне | на швидкохідному валу | 500 | 750 | 1000 | 2240 | 3150 |
| на тихохідному валу | 4500 | 6300 | 9000 | 12500 | 18000 | |
| Номінальний момент, що крутить, на тихохідному валу, Н.м. | 315 | 630 | 1250 | 2500 | 5000 | |
| ККД | 0,97 | |||||
| Маса, кг | 20 | 32 | 95 | 170 | 320 | |
Приклад умовного позначення
1Ц2У-100-25-32-У3:
1Ц2У – тип редуктора;
100 - міжосьова відстань;
25 - передавальне число;
32 - варіант складання;
У3 - кліматичне виконання.
Цилиндрические редукторы 1Ц2У сборки 32
Відгуків про цей товар ще не було.
Немає відгуків про цей товар, станьте першим, залиште свій відгук.
Немає питань про даний товар, станьте першим і задайте своє питання.