Циліндричні редуктори 1Ц2У складання 33
Редуктори типу 1Ц2У складання 33
Промислові перетворювачі, що мають циліндричний варіант зачеплення зубчастих передач, відносяться до серії 1Ц2У і можуть бути складені у варіанті складання 33. Він описаний у ГОСТ 20373-94 і має такі особливості:
- Два виходи тихохідного валу дають можливість підключення кількох виконавчих механізмів. Таким чином, одним перетворювачем можна привести в роботу одразу два агрегати.
- Також мають два виходи швидкохідного валу для здійснення рівномірного навантаження.
Здійснити раціональну покупку та підібрати найбільш підходящий промисловий редуктор вам допоможуть компетентні менеджери компанії «Промпривод». Щоб купити редуктор сміливо телефонуйте за телефонами, вказаними на сайті, та купуйте високоякісне виробниче обладнання за мінімальною вартістю! Для постійних клієнтів та оптових покупців діє гнучка система знижок. Гарантія якості на обладнання 12 місяців з моменту придбання.
Умовне позначення варіанта складення 33

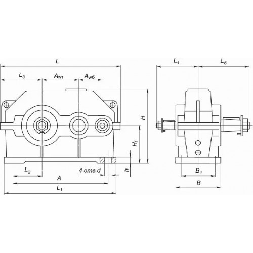
Конструкція редуктора 1Ц2У

Основні технічні характеристики
| Найменування технічних характеристик | Типорозмір редуктора | |||||
| 1Ц2У-100 | 1Ц2У-125 | 1Ц2У-160 | 1Ц2У-200 | 1Ц2У-250 | ||
| Передавальні числа | 8; 10; 12,5; 16; 20; 25; 31,5; 40 | |||||
| Допустиме радіальне консольне | на швидкохідному валу | 500 | 750 | 1000 | 2240 | 3150 |
| на тихохідному валу | 4500 | 6300 | 9000 | 12500 | 18000 | |
| Номінальний момент, що крутить, на тихохідному валу, Н.м. | 315 | 630 | 1250 | 2500 | 5000 | |
| ККД | 0,97 | |||||
| Маса, кг | 20 | 32 | 95 | 170 | 320 | |
Приклад умовного позначення
1Ц2У-100-25-33-У3:
1Ц2У – тип редуктора;
100 - міжосьова відстань;
25 - передавальне число;
33 - варіант складання;
У3 – кліматичне виконання.
Цилиндрические редукторы 1Ц2У сборки 33
Відгуків про цей товар ще не було.
Немає відгуків про цей товар, станьте першим, залиште свій відгук.
Немає питань про даний товар, станьте першим і задайте своє питання.