Циліндричні редуктори 1Ц2У складання 35
Редуктори типу 1Ц2У складання 35
Завдяки своїй високій результативності редуктори типу 1Ц2У використовуються повсюдно для підтримки оптимальної роботи приводів вантажопідіймальних кранів та інших пристроїв.
Перетворювачі можуть бути складені відповідно до різних умов експлуатації у варіантах складання, зазначених у ГОСТ 20373-94. Варіант складання 35 дозволяє під'єднати 2 двигуни і 2 виконавчі пристрої для роботи від одного редуктора.
У каталозі промислових перетворювачів та інших агрегатів, які можна знайти на сайті компанії «Промпривод», ви знайдете той механізм, який зможе забезпечити правильність роботи конкретного технологічного процесу. Щоб купити редуктор в Україні, телефонуйте, або пишіть в онлайн-чат нашим компетентним менеджерам, які зможуть проконсультувати вас з будь-якого питання.
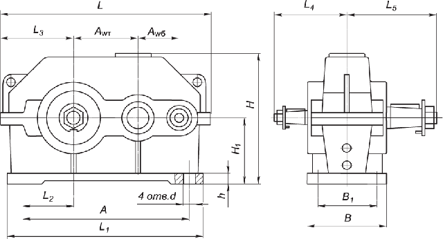
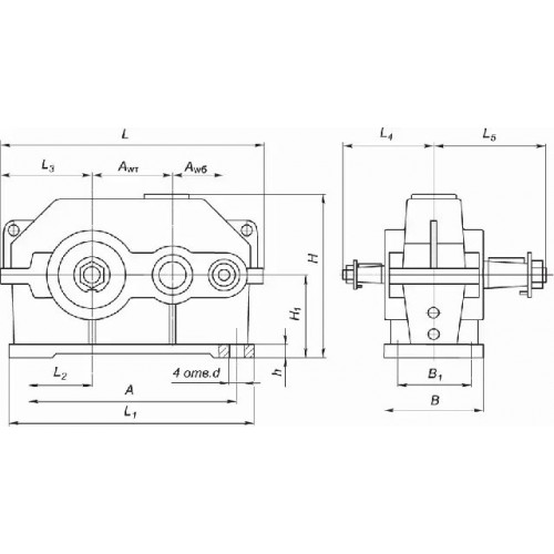
Умовне позначення варіанта складання 35

Конструкція редуктора 1Ц2У

Основні технічні характеристики
| Найменування технічних характеристик | Типорозмір редуктора | |||||
| 1Ц2У-100 | 1Ц2У-125 | 1Ц2У-160 | 1Ц2У-200 | 1Ц2У-250 | ||
| Передавальні числа | 8; 10; 12,5; 16; 20; 25; 31,5; 40 | |||||
| Допустиме радіальне консольне | на швидкохідному валу | 500 | 750 | 1000 | 2240 | 3150 |
| на тихохідному валу | 4500 | 6300 | 9000 | 12500 | 18000 | |
| Номінальний момент, що крутить, на тихохідному валу, Н.м. | 315 | 630 | 1250 | 2500 | 5000 | |
| ККД | 0,97 | |||||
| Маса, кг | 20 | 32 | 95 | 170 | 320 | |
Приклад умовного позначення
1Ц2У-100-25-35-У3:
1Ц2У – тип редуктора;
100 - міжосьова відстань;
25 - передавальне число;
35 - варіант складання;
У3 – кліматичне виконання.
Цилиндрические редукторы 1Ц2У сборки 35
Відгуків про цей товар ще не було.
Немає відгуків про цей товар, станьте першим, залиште свій відгук.
Немає питань про даний товар, станьте першим і задайте своє питання.