Циліндричні редуктори 1Ц2У складання 11
Редуктори типу 1Ц2У складання 11
Циліндричні перетворювачі типу 1Ц2У варіанта складання 11 – це уніфіковані редуктори, які стали наступним кроком у створенні агрегатів-демультиплікаторів загальнопромислового призначення, таких як Ц2У.
Описувані механізми стають частиною приводної системи або відіграють роль ланки, що перетворює величини, що надходять на нього - швидкість обертання валів і збільшення моменту кручення. Їх можуть встановлювати у вантажопідйомних системах, автокранах, на конвеєрних стрічках та для вирішення інших виробничих питань.
Купуйте якісні перетворювачі та інші промислові механізми на сайті виробника компанії «Промпривод» за найнижчою ціною без переплат. Ми співпрацюємо з товарними компаніями по всій Україні та можемо відправити ваше замовлення у будь-яку точку нашої країни. У нас найввічливіше та компетентне обслуговування, а також трирічна гарантія на весь сертифікований товар.
Умовне позначення варіанта складання 11

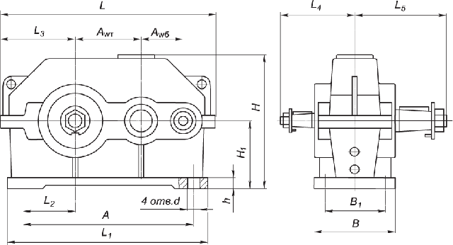
Конструкція редуктора 1Ц2У

Основні технічні характеристики
| Найменування технічних характеристик | Типорозмір редуктора | |||||
| 1Ц2У-100 | 1Ц2У-125 | 1Ц2У-160 | 1Ц2У-200 | 1Ц2У-250 | ||
| Передавальні числа | 8; 10; 12,5; 16; 20; 25; 31,5; 40 | |||||
| Допустиме радіальне консольне | на швидкохідному валу | 500 | 750 | 1000 | 2240 | 3150 |
| на тихохідному валу | 4500 | 6300 | 9000 | 12500 | 18000 | |
| Номінальний момент, що крутить, на тихохідному валу, Н.м. | 315 | 630 | 1250 | 2500 | 5000 | |
| ККД | 0,97 | |||||
| Маса, кг | 20 | 32 | 95 | 170 | 320 | |
Приклад умовного позначення
1Ц2У-100-25-11-У3:
1Ц2У - тип редуктора;
100 - міжосьова відстань;
25 - передавальне число;
11 - варіант складання;
К - виконання вихідного валу;
У3 - кліматичне виконання.
Цилиндрические редукторы 1Ц2У сборки 11
Відгуків про цей товар ще не було.
Немає відгуків про цей товар, станьте першим, залиште свій відгук.
Немає питань про даний товар, станьте першим і задайте своє питання.