Циліндричні редуктори 1Ц2У складання 12
Редуктори типу 1Ц2У складання 12
Циліндричний вузький редуктор серії 1Ц2У складання 12 відноситься до модифікованої більш розширеної версії подібних перетворювачів, що іменуються Ц2У. Дані механізми грають роль демультиплікатора, тобто агрегату, який зменшує значення механічних величин, що надходять на нього, до необхідних системі.
Існує кілька варіантів складання даного редуктора. Для тих механізмів, до яких висувається вимога виходу двох кінців валів у паралельному, але протилежному напрямку один щодо одного, слід замовити редуктор у варіанті складання 12
Підібрати відповідний редуктор допоможуть менеджери компанії «Промпривод». Ми надаємо покупцям прозору інформацію про всі можливості та особливості агрегатів, що купуються, також даємо можливість отримати знижку при оптовому замовленні і отримати сою покупку в будь-якому населеному пункті країни в оптимальні терміни.
Умовне позначення варіанта складання 12

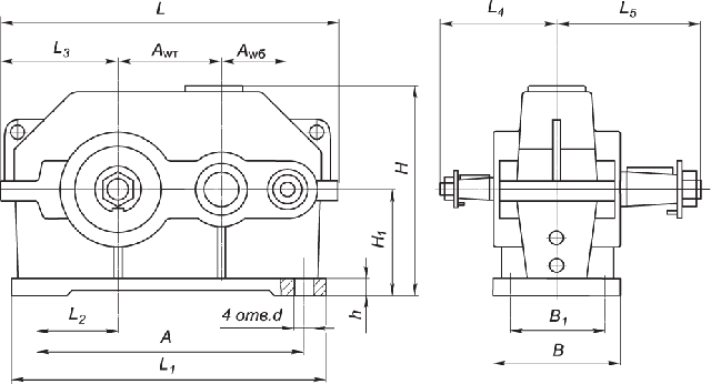
Конструкція редуктора 1Ц2У

Основні технічні характеристики
| Найменування технічних характеристик | Типорозмір редуктора | |||||
| 1Ц2У-100 | 1Ц2У-125 | 1Ц2У-160 | 1Ц2У-200 | 1Ц2У-250 | ||
| Передавальні числа | 8; 10; 12,5; 16; 20; 25; 31,5; 40 | |||||
| Допустиме радіальне консольне | на швидкохідному валу | 500 | 750 | 1000 | 2240 | 3150 |
| на тихохідному валу | 4500 | 6300 | 9000 | 12500 | 18000 | |
| Номінальний момент, що крутить, на тихохідному валу, Н.м. | 315 | 630 | 1250 | 2500 | 5000 | |
| ККД | 0,97 | |||||
| Маса, кг | 20 | 32 | 95 | 170 | 320 | |
Приклад умовного позначення

Цилиндрические редукторы 1Ц2У сборки 12
Відгуків про цей товар ще не було.
Немає відгуків про цей товар, станьте першим, залиште свій відгук.
Немає питань про даний товар, станьте першим і задайте своє питання.