Циліндричні редуктори 1Ц2У складання 14
Редуктори типу 1Ц2У складання 14
Удосконалені редуктори серії 1Ц2У мають циліндричний тип та дві ступені. Їх використовують як прилад, що впливає на частоту обертання валів. При зменшенні цієї швидкості зростає момент кручення, що використовується для раціоналізації технологічного процесу. А для комфортнішої експлуатації механізму існує можливість вибрати редуктор за варіантами складання.
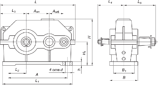
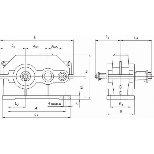
Редуктор 1Ц2У складання 14 відрізняється від інших варіантів наявністю двох порожнистих валів, до яких можна приєднати відразу кілька приладів керування або приводів елементів.
Купуйте якісні перетворювачі різного виконання та варіанта складання 14 у вітчизняного виробника компанії «Промпривод». Ми надаємо гарантію на перетворювачі – 12 місяців, можемо відправити ваше замовлення в будь-який населений пункт країни, а в момент покупки проконсультувати з будь-якого питання. У нас ви зможете купити редуктор за мінімальною вартістю та в повній відповідності до нормативної документації.
Умовне позначення варіанта збирання 14

Конструкція редуктора 1Ц2У

Основні технічні характеристики
| Найменування технічних характеристик | Типорозмір редуктора | |||||
| 1Ц2У-100 | 1Ц2У-125 | 1Ц2У-160 | 1Ц2У-200 | 1Ц2У-250 | ||
| Передавальні числа | 8; 10; 12,5; 16; 20; 25; 31,5; 40 | |||||
| Допустиме радіальне консольне | на швидкохідному валу | 500 | 750 | 1000 | 2240 | 3150 |
| на тихохідному валу | 4500 | 6300 | 9000 | 12500 | 18000 | |
| Номінальний момент, що крутить, на тихохідному валу, Н.м. | 315 | 630 | 1250 | 2500 | 5000 | |
| ККД | 0,97 | |||||
| Маса, кг | 20 | 32 | 95 | 170 | 320 | |
Приклад умовного позначення
1Ц2У-100-25-14-У3:
1Ц2У – тип редуктора;
100 - міжосьова відстань;
25 - передавальне число;
14 - варіант складання;
У3 – кліматичне виконання.
Цилиндрические редукторы 1Ц2У сборки 14
Відгуків про цей товар ще не було.
Немає відгуків про цей товар, станьте першим, залиште свій відгук.
Немає питань про даний товар, станьте першим і задайте своє питання.