Циліндричні редуктори 1Ц2У складання 15
Редуктори типу 1Ц2У складання 15
Редуктори типу 1Ц2У відносяться до найбільш затребуваних загальнопромислових перетворювачів, які встановлюють в приводні системи з метою отримання необхідних роботи значень крутного моменту і швидкості обертання. Циліндричні редуктори також називають багатоцільовими, тому мають різні виконання. Варіант складання редуктора 15 має на увазі наявність двох вихідних кінців тихохідного валу для приєднання відразу декількох виконавчих пристроїв.
Ознайомтеся з багатим асортиментом перетворювачів загального та особливого призначення на сайті компанії «Промпривод». У нас ви знайдете і зможете купити редуктор варіанта складання 15 та інших за найнижчими цінами. Звертайтеся до нас, і ми надамо детальну консультацію з будь-якого питання, що вас цікавить. Замовлення надсилає провідними транспортними компаніями-компаньйонами України до будь-якої точки країни.
Умовне позначення варіанти складання 15

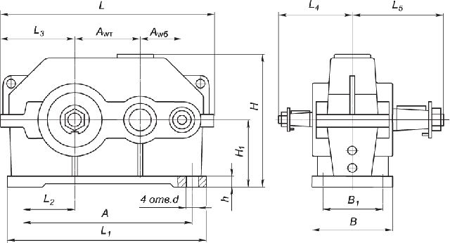
Конструкція редуктора 1Ц2У

Основні технічні характеристики
| Найменування технічних характеристик | Типорозмір редуктора | |||||
| 1Ц2У-100 | 1Ц2У-125 | 1Ц2У-160 | 1Ц2У-200 | 1Ц2У-250 | ||
| Передавальні числа | 8; 10; 12,5; 16; 20; 25; 31,5; 40 | |||||
| Допустиме радіальне консольне | на швидкохідному валу | 500 | 750 | 1000 | 2240 | 3150 |
| на тихохідному валу | 4500 | 6300 | 9000 | 12500 | 18000 | |
| Номінальний момент, що крутить, на тихохідному валу, Н.м. | 315 | 630 | 1250 | 2500 | 5000 | |
| ККД | 0,97 | |||||
| Маса, кг | 20 | 32 | 95 | 170 | 320 | |
Приклад умовного позначення
1Ц2У-100-25-15-У3:
1Ц2У – тип редуктора;
100 - міжосьова відстань;
25 - передавальне число;
15 - варіант складання;
У3 – кліматичне виконання.
Цилиндрические редукторы 1Ц2У сборки 15
Відгуків про цей товар ще не було.
Немає відгуків про цей товар, станьте першим, залиште свій відгук.
Немає питань про даний товар, станьте першим і задайте своє питання.