Циліндричні редуктори 1Ц2У складання 16
Редуктори типу 1Ц2У складання 16
Двоступінчасті циліндричні редуктори типу 1Ц2У використовуються як перетворювач величин, що надходять від двигуна - кутової швидкості обертання валів і моменту кручення. Редуктор змінює їх під необхідні оптимізації робочого процесу.
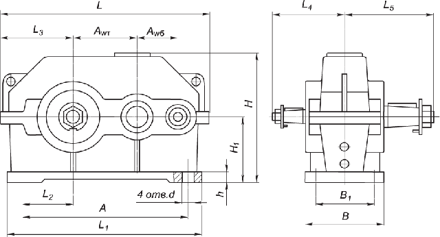
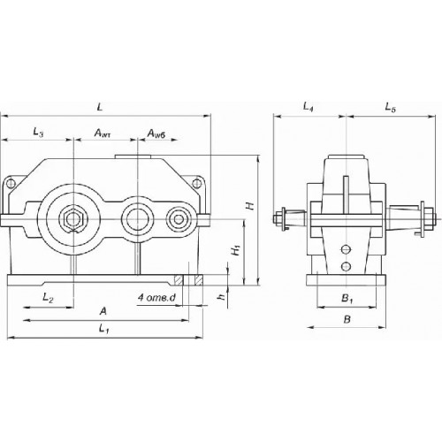
При покупці редуктора слід уточнювати варіант його складання. Складання 16 описується паралельним розташуванням валів та наявністю двох кінців порожнього тихохідного валу.
При необхідності придбати якісний перетворювач, який служитиме вам протягом довгих років, звертайтесь до компанії «Промпривод». У нас ви зможете купити редуктор, вибравши необхідний з величезного асортименту механізмів найвищої якості, виготовленим вітчизняним виробником у повній відповідності до всіх необхідних норм і стандартів. У нас можна знайти агрегати в різних варіантах збирання, типорозмірах та інших параметрах.
Умовне позначення варіанта складання 16

Конструкція редуктора 1Ц2У

Основні технічні характеристики
| Найменування технічних характеристик | Типорозмір редуктора | |||||
| 1Ц2У-100 | 1Ц2У-125 | 1Ц2У-160 | 1Ц2У-200 | 1Ц2У-250 | ||
| Передавальні числа | 8; 10; 12,5; 16; 20; 25; 31,5; 40 | |||||
| Допустиме радіальне консольне | на швидкохідному валу | 500 | 750 | 1000 | 2240 | 3150 |
| на тихохідному валу | 4500 | 6300 | 9000 | 12500 | 18000 | |
| Номінальний момент, що крутить, на тихохідному валу, Н.м. | 315 | 630 | 1250 | 2500 | 5000 | |
| ККД | 0,97 | |||||
| Маса, кг | 20 | 32 | 95 | 170 | 320 | |
Приклад умовного позначення
1Ц2У-100-25-16-У3:
1Ц2У – тип редуктора;
100 - міжосьова відстань;
25 - передавальне число;
16 - варіант складання;
У3 – кліматичне виконання.
Цилиндрические редукторы 1Ц2У сборки 16
Відгуків про цей товар ще не було.
Немає відгуків про цей товар, станьте першим, залиште свій відгук.
Немає питань про даний товар, станьте першим і задайте своє питання.