Циліндричні редуктори 1Ц2У складання 21
Редуктори типу 1Ц2У складання 21
Високо результативні промислові редуктори серії 1Ц2У належать до кранових чи загального призначення. Дані перетворювачі можуть мати паралельне розташування валів за варіантом складання 21.
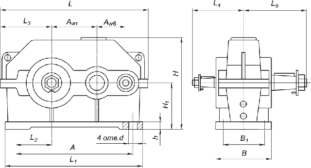
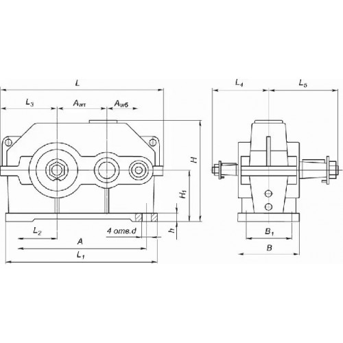
На малюнку, представленому нижче, видно, що тихохідний та швидкохідний вали використовуються для приєднання одного двигуна та одного виконавчого механізму приводної системи.
У каталозі товарів, представлених на сайті компанії «Промпривод», ви можете знайти як загальнопромислові, так і спеціалізовані перетворювачі, а також комплектуючі та запчастини до них. Ви можете замовити дзвінок менеджера або скористатися послугою – написати нашим представникам у режимі онлайн-чату, щоб купити редуктор за найпривабливішою вартістю.
Умовне позначення варіанта складання 21

Конструкція редуктора 1Ц2У

Основні технічні характеристики
| Найменування технічних характеристик | Типорозмір редуктора | |||||
| 1Ц2У-100 | 1Ц2У-125 | 1Ц2У-160 | 1Ц2У-200 | 1Ц2У-250 | ||
| Передавальні числа | 8; 10; 12,5; 16; 20; 25; 31,5; 40 | |||||
| Допустиме радіальне консольне | на швидкохідному валу | 500 | 750 | 1000 | 2240 | 3150 |
| на тихохідному валу | 4500 | 6300 | 9000 | 12500 | 18000 | |
| Номінальний момент, що крутить, на тихохідному валу, Н.м. | 315 | 630 | 1250 | 2500 | 5000 | |
| ККД | 0,97 | |||||
| Маса, кг | 20 | 32 | 95 | 170 | 320 | |
Приклад умовного позначення
1Ц2У-100-25-21-У3:
1Ц2У – тип редуктора;
100 - міжосьова відстань;
25 - передавальне число;
21 - варіант складання;
У3 – кліматичне виконання.
Цилиндрические редукторы 1Ц2У сборки 21
Відгуків про цей товар ще не було.
Немає відгуків про цей товар, станьте першим, залиште свій відгук.
Немає питань про даний товар, станьте першим і задайте своє питання.