Циліндричні редуктори 1Ц2У складання 23
Редуктори типу 1Ц2У складання 23
Промислові редуктори загального призначення серії 1Ц2У виготовляються з двома ступенями для роботи в приводах середніх потужностей.
Залежно від особливостей приводної системи, частиною якої цей редуктор може бути, він складається у різних варіантах складання.
Ми пропонуємо вам ознайомитися з особливостями редуктора 1Ц2У, що відповідає складанню 23. До такого перетворювача можна підключити відразу кілька виконавчих механізмів або приладів контролю, адже він має два виходи тихохідного валу.
Якщо ви шукаєте, де купити редуктор високої якості, то рекомендуємо звернутися до менеджерів компанії «Промпривод», щоб дізнатися всю інформацію про можливості придбання та особливості експлуатації будь-якого загальнопромислового або спеціалізованого редуктора. Ми надаємо своїм клієнтам докладну консультативну допомогу, а також надаємо тривалу гарантію на всі перетворювачі, що діє протягом року.
Умовне позначення варіанта складання 23

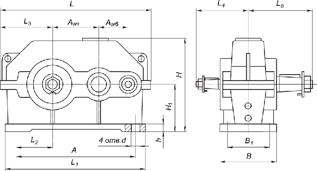
Конструкція редуктора 1Ц2У

Основні технічні характеристики
| Найменування технічних характеристик | Типорозмір редуктора | |||||
| 1Ц2У-100 | 1Ц2У-125 | 1Ц2У-160 | 1Ц2У-200 | 1Ц2У-250 | ||
| Передавальні числа | 8; 10; 12,5; 16; 20; 25; 31,5; 40 | |||||
| Допустиме радіальне консольне | на швидкохідному валу | 500 | 750 | 1000 | 2240 | 3150 |
| на тихохідному валу | 4500 | 6300 | 9000 | 12500 | 18000 | |
| Номінальний момент, що крутить, на тихохідному валу, Н.м. | 315 | 630 | 1250 | 2500 | 5000 | |
| ККД | 0,97 | |||||
| Маса, кг | 20 | 32 | 95 | 170 | 320 | |
Приклад умовного позначення
1Ц2У-100-25-23-У3:
1Ц2У – тип редуктора;
100 - міжосьова відстань;
25 - передавальне число;
23 - варіант складання;
У3 – кліматичне виконання.
Цилиндрические редукторы 1Ц2У сборки 23
Відгуків про цей товар ще не було.
Немає відгуків про цей товар, станьте першим, залиште свій відгук.
Немає питань про даний товар, станьте першим і задайте своє питання.