Циліндричні редуктори 1Ц2У складання 25
Редуктори типу 1Ц2У складання 25
Циліндричні двоступінчасті редуктори серії 1Ц2У відрізняються за цілою низкою ознак, включаючи варіант складання. Залежно від сфери та специфіки використання редуктори можуть складатися за ГОСТ 20373-94 у 64 варіаціях.
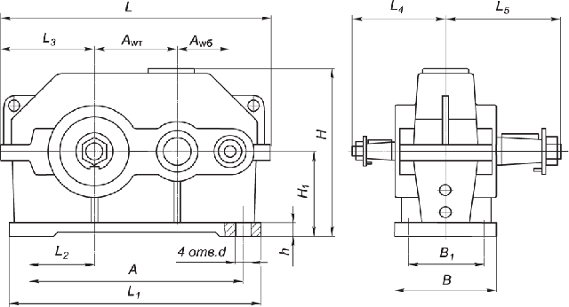
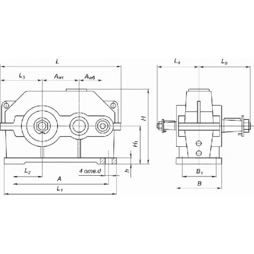
Для підключення до редуктора відразу двох виконавчих органів перетворювач виконується у варіанті складання 25, має два виходи тихохідного валу. Один із цих кінців виконується в укороченому вигляді – полувал. Це дає можливість створювати компактніші з'єднання.
Якщо ви шукаєте де купити редуктор недорого, то сміливо телефонуйте менеджерам компанії «Промпривод», щоб ознайомитися з великим асортиментом промислових і вузькоспеціалізованих перетворювачів. У нашому каталозі товарів ви обов'язково знайдете те, що зможе задовольнити ваші конкретні запити. Якщо вам потрібен унікальний редуктор, створений за індивідуальними кресленнями, то ми можемо надати послугу індивідуального виробництва. Наші ціни – найкращі в Україні! Здійснюємо доставку товару до всіх куточків нашої держави.
Умовне позначення варіанта складання 25

Конструкція редуктора 1Ц2У

Основні технічні характеристики
| Найменування технічних характеристик | Типорозмір редуктора | |||||
| 1Ц2У-100 | 1Ц2У-125 | 1Ц2У-160 | 1Ц2У-200 | 1Ц2У-250 | ||
| Передавальні числа | 8; 10; 12,5; 16; 20; 25; 31,5; 40 | |||||
| Допустиме радіальне консольне | на швидкохідному валу | 500 | 750 | 1000 | 2240 | 3150 |
| на тихохідному валу | 4500 | 6300 | 9000 | 12500 | 18000 | |
| Номінальний момент, що крутить, на тихохідному валу, Н.м. | 315 | 630 | 1250 | 2500 | 5000 | |
| ККД | 0,97 | |||||
| Маса, кг | 20 | 32 | 95 | 170 | 320 | |
Приклад умовного позначення
1Ц2У-100-25-25-У3:
1Ц2У – тип редуктора;
100 - міжосьова відстань;
25 - передавальне число;
25 - варіант складання;
У3 – кліматичне виконання.
Цилиндрические редукторы 1Ц2У сборки 25
Відгуків про цей товар ще не було.
Немає відгуків про цей товар, станьте першим, залиште свій відгук.
Немає питань про даний товар, станьте першим і задайте своє питання.