Циліндричні редуктори 1Ц2У складання 31
Редуктори типу 1Ц2У складання 31
Двоступінчасті перетворювачі крутного моменту, а також швидкості обертання, що відносяться до загальних багатоцільових механізмів, - це промислові редуктори 1Ц2У.
Вони мають два ступені, а також складаються відповідно до циліндричного принципу зачеплення зубчастих передач.
Відповідно до варіанта складання 31 редуктори даного типу можуть мати два виведення швидкохідного валу і один - тихохідного.
Більший перелік продукції загального промислового призначення, а також спеціалізованої техніки та комплектуючого обладнання до них можна знайти на сайті виробника «Промпривод». У нас завжди хороші ціни та лояльна програма знижок для оптових клієнтів. Звертайтесь до наших менеджерів, щоб купити редуктори недорого та з можливістю їх доставки по всій Україні.
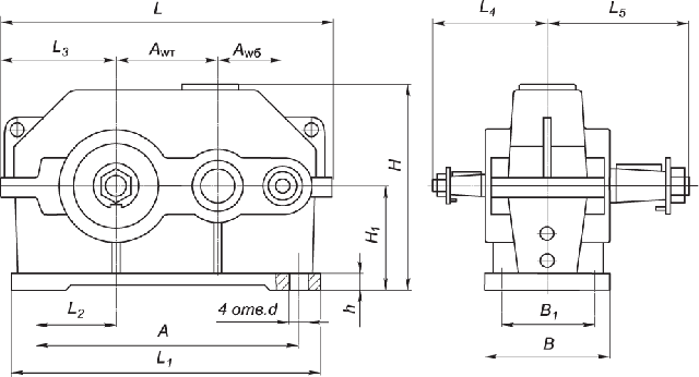
Умовне позначення варіанта складання 31

Конструкція редуктора 1Ц2У

Основні технічні характеристики
| Найменування технічних характеристик | Типорозмір редуктора | |||||
| 1Ц2У-100 | 1Ц2У-125 | 1Ц2У-160 | 1Ц2У-200 | 1Ц2У-250 | ||
| Передавальні числа | 8; 10; 12,5; 16; 20; 25; 31,5; 40 | |||||
| Допустиме радіальне консольне | на швидкохідному валу | 500 | 750 | 1000 | 2240 | 3150 |
| на тихохідному валу | 4500 | 6300 | 9000 | 12500 | 18000 | |
| Номінальний момент, що крутить, на тихохідному валу, Н.м. | 315 | 630 | 1250 | 2500 | 5000 | |
| ККД | 0,97 | |||||
| Маса, кг | 20 | 32 | 95 | 170 | 320 | |
Приклад умовного позначення
1Ц2У-100-25-31-У3:
1Ц2У – тип редуктора;
100 - міжосьова відстань;
25 - передавальне число;
31 - варіант складання;
У3 – кліматичне виконання.
Цилиндрические редукторы 1Ц2У сборки 31
Відгуків про цей товар ще не було.
Немає відгуків про цей товар, станьте першим, залиште свій відгук.
Немає питань про даний товар, станьте першим і задайте своє питання.