Циліндричні редуктори 1Ц2У складання 34
Редуктори типу 1Ц2У складання 34
Вузькі промислові редуктори, що мають зменшені габарити, використовуються як перетворювач механічних величин для отримання оптимальних значень моменту крутіння і швидкості обертання.
Як такі перетворювачі можуть виступати редуктори серії 1Ц2У, що мають варіант складання 34. Він передбачає наявність двох виводів вала швидкохідного, що сприяють підключенню двох двигунів. Також є можливість компактного приєднання двох виконавчих механізмів.
Ми зобов'язуємося надати вам коректно працюючий механізм, що має тривалу гарантію, що володіє всіма заявленими якостями. Здійснюємо доставку товару Україною перевіреними транспортними організаціями. Телефонуйте в компанію «Промпривод», щоб купити редуктор, мотор-редуктор та комплектуючі до них запчастини за доступною ціною.
Умовне позначення варіанта складання 34

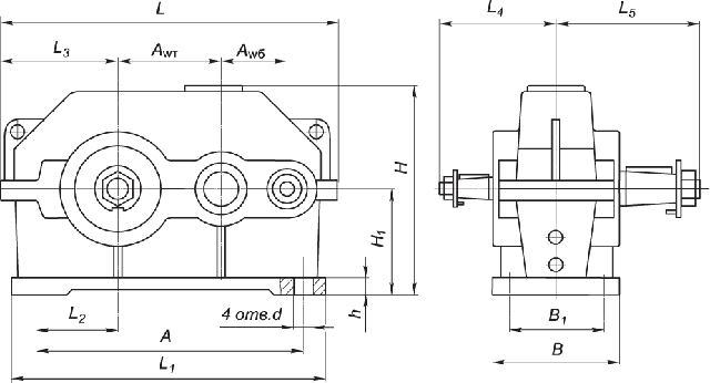
Конструкція редуктора 1Ц2У

Основні технічні характеристики
| Найменування технічних характеристик | Типорозмір редуктора | |||||
| 1Ц2У-100 | 1Ц2У-125 | 1Ц2У-160 | 1Ц2У-200 | 1Ц2У-250 | ||
| Передавальні числа | 8; 10; 12,5; 16; 20; 25; 31,5; 40 | |||||
| Допустиме радіальне консольне | на швидкохідному валу | 500 | 750 | 1000 | 2240 | 3150 |
| на тихохідному валу | 4500 | 6300 | 9000 | 12500 | 18000 | |
| Номінальний момент, що крутить, на тихохідному валу, Н.м. | 315 | 630 | 1250 | 2500 | 5000 | |
| ККД | 0,97 | |||||
| Маса, кг | 20 | 32 | 95 | 170 | 320 | |
Приклад умовного позначення
1Ц2У-100-25-34-У3:
1Ц2У – тип редуктора;
100 - міжосьова відстань;
25 - передавальне число;
34 - варіант складання;
У3 – кліматичне виконання.
Цилиндрические редукторы 1Ц2У сборки 34
Відгуків про цей товар ще не було.
Немає відгуків про цей товар, станьте першим, залиште свій відгук.
Немає питань про даний товар, станьте першим і задайте своє питання.