Циліндричні редуктори 1Ц2У складання 36
Редуктори типу 1Ц2У складання 36
Вузькі двоступінчасті промислові редуктори 1Ц2У з циліндричним способом зачеплення зубчастих передач використовуються у виробничій і будівельній діяльності для перетворення значень швидкості обертання, що поступають на нього, і моменту кручення і подальшої їх передачі пристрою виконання.
Варіант складання 36 згідно з ГОСТ 20373-94 дозволяє скласти редуктор відразу з 4 вихідними кінцями. Два з них відносяться до тихохідного ступеня, мають укорочений варіант виконання для компактного з'єднання одразу з парою органів виконання. Ще кілька кінців валу використовуються для приєднання електричних двигунів.
Звертайтеся до менеджерів компанії «Промпривод», щоб дізнатися інформацію, необхідну для використання та придбання перетворювальної техніки. Ми працюємо як із одиничними замовленнями, так і з оптовими покупцями, маємо лояльну програму знижок для кожного з них. Телефонуйте або звертайтеся до фахівців в онлайн-чаті, щоб купити редуктор в Харкові, Києві та інших містах України за найнижчою ціною.
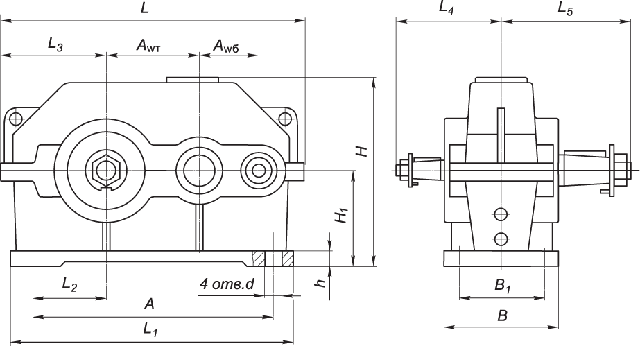
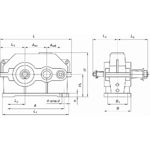
Умовне позначення варіанта складання 36

Конструкція редуктора 1Ц2У

Основні технічні характеристики
| Найменування технічних характеристик | Типорозмір редуктора | |||||
| 1Ц2У-100 | 1Ц2У-125 | 1Ц2У-160 | 1Ц2У-200 | 1Ц2У-250 | ||
| Передавальні числа | 8; 10; 12,5; 16; 20; 25; 31,5; 40 | |||||
| Допустиме радіальне консольне | на швидкохідному валу | 500 | 750 | 1000 | 2240 | 3150 |
| на тихохідному валу | 4500 | 6300 | 9000 | 12500 | 18000 | |
| Номінальний момент, що крутить, на тихохідному валу, Н.м. | 315 | 630 | 1250 | 2500 | 5000 | |
| ККД | 0,97 | |||||
| Маса, кг | 20 | 32 | 95 | 170 | 320 | |
Приклад умовного позначення
1Ц2У-100-25-36-У3:
1Ц2У - тип редуктора;
100 - міжосьова відстань;
25 - передавальне число;
36 - варіант складання;
У3 - кліматичне виконання.
Цилиндрические редукторы 1Ц2У сборки 36
Відгуків про цей товар ще не було.
Немає відгуків про цей товар, станьте першим, залиште свій відгук.
Немає питань про даний товар, станьте першим і задайте своє питання.