Циліндричні редуктори 1ЦУ складання 13
Редуктори типу 1ЦУ складання 13
Використання одноступінчастих циліндричних перетворювачів типу 1ЦУ здійснюється в тих випадках, коли створювана система вимагає використання зменшених частот обертання та збільшення крутного моменту щодо надходять від електричного двигуна величин. Описувані редуктори відноситься до універсальних, загальнопромислових і можуть бути використані як перетворювальний механізм у будівельних та виробничих цілях.
Редуктори 1ЦУ можуть поставлятися у варіанті складання 13. Згідно з ГОСТ 20373-94 дане складанння характеризується наявністю двох кінців вихідного валу і одним кінцем швидкоходного валу. Такий пристрій дає право приєднувати два виконавчі пристрої, що особливо затребуване при створенні складних приводних систем.
Отримайте детальну інформацію про будь-який цікавий для вас редуктор або варіант його складання 13 у менеджерів компанії «Промпривод». У нас ви зможете купити редуктор за найбільш вигідною ціною та з можливістю доставки до будь-якого населеного пункту країни з наданням необхідної документації, що доводить справність та відповідність стандарту кожного придбаного у нас перетворювача, запчастин до нього чи іншого обладнання.
Умовне позначення варіанти складання 13

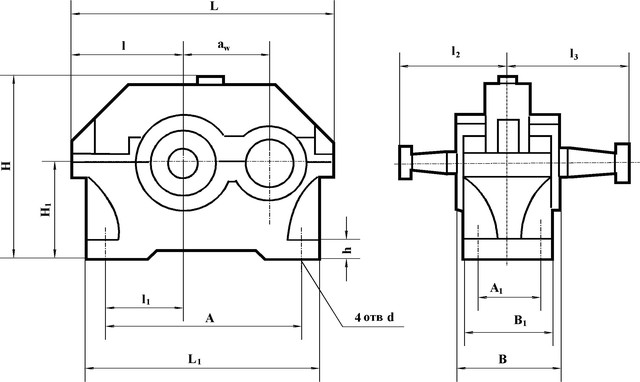
Конструкція редуктора 1ЦУ

Технічні параметри редукторів 1ЦУ
| Тип | aw | L | L1 | B | H | h | l | l1 | l2 | l3 | H1 | A | A1 | B1 | d |
| не більше | |||||||||||||||
| 1ЦУ-100 | 100 | 315 | 265 | 140 | 224 | 22 | 132 | 85 | 136 | 155 | 112 | 224 | 95 | 132 | 15 |
| 1ЦУ-160 | 160 | 475 | 412 | 185 | 335 | 28 | 195 | 136 | 218 | 218 | 170 | 355 | 125 | 175 | 24 |
| 1ЦУ-200 | 200 | 580 | 500 | 212 | 425 | 36 | 236 | 165 | 230 | 265 | 212 | 437 | 136 | 200 | 24 |
| 1ЦУ-250 | 250 | 710 | 615 | 265 | 530 | 40 | 290 | 212 | 280 | 315 | 265 | 545 | 185 | 250 | 28 |
Приклад умовного позначення редуктора
1ЦУ - 100 - 4 - 13 - У3:
1ЦУ – тип перетворювача;
100 - сумарна міжосьова відстань;
4 - передавальне число;
13 - варіант складання;
У3 – кліматичне виконання.
Цилиндрические редукторы 1ЦУ сборки 13
Відгуків про цей товар ще не було.
Немає відгуків про цей товар, станьте першим, залиште свій відгук.
Немає питань про даний товар, станьте першим і задайте своє питання.