Циліндричні редуктори 1ЦУ складання 22
Редуктори типу 1ЦУ складання 22
Одноступінчастий промисловий перетворювач типу 1ЦУ може бути складений у різних варіантах, що визначаються ГОСТ 20373-94.
Ми пропонуємо вам придбати редуктор, що має один вихід швидкохідного і один вихід тихохідного валів, що відповідає варіанту складання 22.
Даний перетворювач має зменшені масогабаритні показники, що полегшує його встановлення в обмежених просторах і знижує навантаження на опорні конструкції.
У каталозі товарів, представленому на сайті компанії «Промпривод», ви знайдете всі найпопулярніші та найактуальніші моделі механічних перетворювачів, що використовуються у виробничих процесах. Звертайтесь до наших менеджерів, щоб купити редуктор недорого з можливістю доставки замовлення до будь-якого населеного пункту країни.
Умовне позначення варіанти складання 22

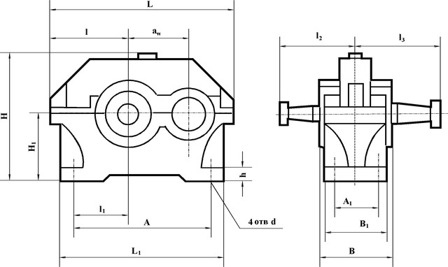
Конструкція редуктора 1ЦУ

Технічні параметри редукторів 1ЦУ
| Тип | aw | L | L1 | B | H | h | l | l1 | l2 | l3 | H1 | A | A1 | B1 | d |
| не більше | |||||||||||||||
| 1ЦУ-100 | 100 | 315 | 265 | 140 | 224 | 22 | 132 | 85 | 136 | 155 | 112 | 224 | 95 | 132 | 15 |
| 1ЦУ-160 | 160 | 475 | 412 | 185 | 335 | 28 | 195 | 136 | 218 | 218 | 170 | 355 | 125 | 175 | 24 |
| 1ЦУ-200 | 200 | 580 | 500 | 212 | 425 | 36 | 236 | 165 | 230 | 265 | 212 | 437 | 136 | 200 | 24 |
| 1ЦУ-250 | 250 | 710 | 615 | 265 | 530 | 40 | 290 | 212 | 280 | 315 | 265 | 545 | 185 | 250 | 28 |
Приклад умовного позначення редуктора
1ЦУ - 100 - 4 - 22 - У3:
1ЦУ – тип перетворювача;
100 - сумарна міжосьова відстань;
4 - передавальне число;
22 - варіант складання;
У3 – кліматичне виконання.
Цилиндрические редукторы 1ЦУ сборки 22
Відгуків про цей товар ще не було.
Немає відгуків про цей товар, станьте першим, залиште свій відгук.
Немає питань про даний товар, станьте першим і задайте своє питання.