Циліндричні редуктори 1ЦУ складання 25
Редуктори типу 1ЦУ складання 25
Промисловий редуктор 1ЦУ виготовляється для роботи в приводах загального призначення з метою перетворення значень моменту обертання і швидкості, що поступають на нього. Зміна даних величин призводить до оптимальної роботи приводу.
Редуктори можуть мати різне виконання, відрізнятися за потужністю та багатьма іншими характеристиками, одним з яких стає варіант складання. Відповідно до ГОСТ 20373-94 редуктор може бути виготовлений у складанні 25, тобто, є два виходи тихохідного валу, один із яких укорочений.
Якщо ви шукаєте де купити редуктор недорого, то сміливо телефонуйте менеджерам компанії «Промпривод», щоб ознайомитися з великим асортиментом промислових і вузькоспеціалізованих перетворювачів. У нашому каталозі товарів ви обов'язково знайдете те, що зможе задовольнити ваші конкретні запити. Якщо вам потрібен унікальний редуктор, створений за індивідуальними кресленнями, то ми можемо надати послугу індивідуального виробництва. Наші ціни – найкращі в Україні! Здійснюємо доставку товару до всіх куточків нашої держави.
Умовне позначення варіанти складання 25

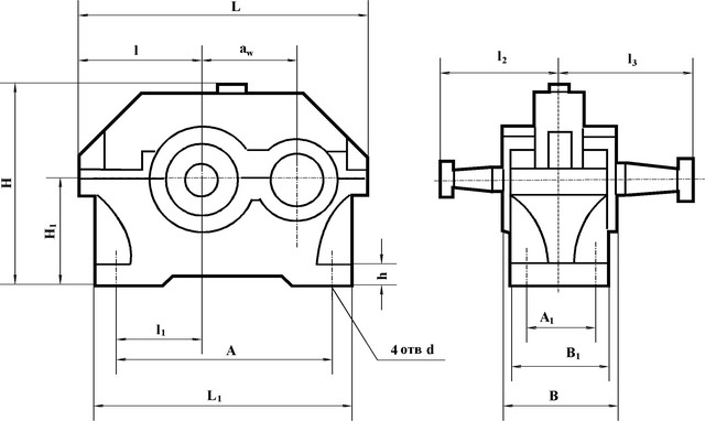
Конструкція редуктора 1ЦУ

Технічні параметри редукторів 1ЦУ
| Тип | aw | L | L1 | B | H | h | l | l1 | l2 | l3 | H1 | A | A1 | B1 | d |
| не більше | |||||||||||||||
| 1ЦУ-100 | 100 | 315 | 265 | 140 | 224 | 22 | 132 | 85 | 136 | 155 | 112 | 224 | 95 | 132 | 15 |
| 1ЦУ-160 | 160 | 475 | 412 | 185 | 335 | 28 | 195 | 136 | 218 | 218 | 170 | 355 | 125 | 175 | 24 |
| 1ЦУ-200 | 200 | 580 | 500 | 212 | 425 | 36 | 236 | 165 | 230 | 265 | 212 | 437 | 136 | 200 | 24 |
| 1ЦУ-250 | 250 | 710 | 615 | 265 | 530 | 40 | 290 | 212 | 280 | 315 | 265 | 545 | 185 | 250 | 28 |
Приклад умовного позначення редуктора
1ЦУ - 100 - 4 - 25 - У3:
1ЦУ – тип перетворювача;
100 - сумарна міжосьова відстань;
4 - передавальне число;
25 - варіант складання;
У3 – кліматичне виконання.
Цилиндрические редукторы 1ЦУ сборки 25
Відгуків про цей товар ще не було.
Немає відгуків про цей товар, станьте першим, залиште свій відгук.
Немає питань про даний товар, станьте першим і задайте своє питання.