Циліндричні редуктори 1ЦУ складання 26
Редуктори типу 1ЦУ складання 26
Одноступінчасті перетворювачі механічних величин – редуктори промислові серії 1ЦУ – виготовляються відповідно до ГОСТ 20373-94 у різних варіантах складання.
Якщо перед вами стоїть мета приєднати до перетворювача лише один електричний двигун і відразу два виконавчі механізми або підключити прилад контролю до редуктора, слід скористатися варіантом складання 26.
На схемі видно, що такий перетворювач оснащений відразу двома напіввалами, конструкція яких дозволяє приєднати кілька приладів або механізмів, контролюючи при цьому масогабаритні показники.
Ознайомитись з найширшим асортиментом перетворювальної техніки та комплектуючих до неї, а також замовити докладну консультацію щодо підбору редуктора, мотор-редукора та іншого механізму ви можете на сайті виробника «Промпривод». Ми працюємо із замовниками по всій Україні, доставляємо товари до будь-якого населеного пункту держави перевіреними транспортними компаніями. У нас ви зможете купити редуктор за найпривабливішою вартістю!
Умовне позначення варіанта складання 26

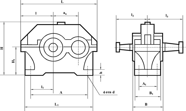
Конструкція редуктора 1ЦУ

Технічні параметри редукторів 1ЦУ
| Тип | aw | L | L1 | B | H | h | l | l1 | l2 | l3 | H1 | A | A1 | B1 | d |
| не більше | |||||||||||||||
| 1ЦУ-100 | 100 | 315 | 265 | 140 | 224 | 22 | 132 | 85 | 136 | 155 | 112 | 224 | 95 | 132 | 15 |
| 1ЦУ-160 | 160 | 475 | 412 | 185 | 335 | 28 | 195 | 136 | 218 | 218 | 170 | 355 | 125 | 175 | 24 |
| 1ЦУ-200 | 200 | 580 | 500 | 212 | 425 | 36 | 236 | 165 | 230 | 265 | 212 | 437 | 136 | 200 | 24 |
| 1ЦУ-250 | 250 | 710 | 615 | 265 | 530 | 40 | 290 | 212 | 280 | 315 | 265 | 545 | 185 | 250 | 28 |
Приклад умовного позначення редуктора
1ЦУ - 100 - 4 - 26 - У3:
1ЦУ – тип перетворювача;
100 - сумарна міжосьова відстань;
4 - передавальне число;
26 - варіант складання;
У3 – кліматичне виконання.
Цилиндрические редукторы 1ЦУ сборки 26
Відгуків про цей товар ще не було.
Немає відгуків про цей товар, станьте першим, залиште свій відгук.
Немає питань про даний товар, станьте першим і задайте своє питання.