Циліндричні редуктори 1ЦУ складання 31
Редуктори типу 1ЦУ складання 31
Як перетворювач механічних величин, що приходять в систему автоматизованого приводу від електричного двигуна, використовуються редуктори 1ЦУ.
Вони виконуються вузькими, тобто такими, що мають зменшені габаритні показники. Один ступінь дозволяє підключати двигуни малої та середньої потужності.
Для роботи відразу від двох двигунів використовуються схеми складання типу 31, які мають на увазі наявність двох висновків швидкохідного валу.
Більший перелік продукції загального промислового призначення, а також спеціалізованої техніки та комплектуючого обладнання до них можна знайти на сайті виробника «Промпривод». У нас завжди хороші ціни та лояльна програма знижок для оптових клієнтів. Звертайтесь до наших менеджерів, щоб купити редуктори недорого та з можливістю їх доставки по всій Україні.
Умовне позначення варіанта складання 31

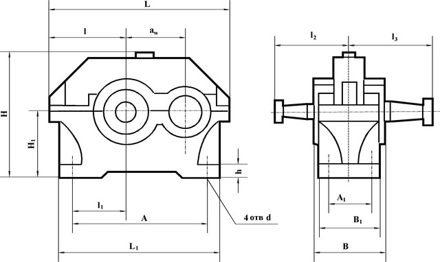
Конструкція редуктора 1ЦУ

Технічні параметри редукторів 1ЦУ
| Тип | aw | L | L1 | B | H | h | l | l1 | l2 | l3 | H1 | A | A1 | B1 | d |
| не більше | |||||||||||||||
| 1ЦУ-100 | 100 | 315 | 265 | 140 | 224 | 22 | 132 | 85 | 136 | 155 | 112 | 224 | 95 | 132 | 15 |
| 1ЦУ-160 | 160 | 475 | 412 | 185 | 335 | 28 | 195 | 136 | 218 | 218 | 170 | 355 | 125 | 175 | 24 |
| 1ЦУ-200 | 200 | 580 | 500 | 212 | 425 | 36 | 236 | 165 | 230 | 265 | 212 | 437 | 136 | 200 | 24 |
| 1ЦУ-250 | 250 | 710 | 615 | 265 | 530 | 40 | 290 | 212 | 280 | 315 | 265 | 545 | 185 | 250 | 28 |
Приклад умовного позначення редуктора
1ЦУ - 100 - 4 - 31 - У3:
1ЦУ – тип перетворювача;
100 - сумарна міжосьова відстань;
4 - передавальне число;
31 - варіант складання;
У3 – кліматичне виконання.
Цилиндрические редукторы 1ЦУ сборки 31
Відгуків про цей товар ще не було.
Немає відгуків про цей товар, станьте першим, залиште свій відгук.
Немає питань про даний товар, станьте першим і задайте своє питання.