Циліндричні редуктори 1ЦУ складання 32
Редуктори типу 1ЦУ складання 32
Одноступінчасті промислові редуктори 1ЦУ виробляються з метою конвертування величин, що надходять на них. Вони перетворюють механічні параметри необхідні для оптимального функціонування системи.
Як універсальний і багатоцільовий перетворювач використовують редуктори 1ЦУ, які можуть складатися в різних варіантах, знайти які можна в ГОСТ 20373-94. Відповідно до зазначеного стандарту варіант складання 32 має на увазі наявність двох виходів швидкохідного валу і один тихохідного.
Придбати редуктори різної модифікації можна на сайті компанії «Промпривод». У нас ви знайдете великий асортимент перетворювальної загальнопромислової та спеціалізованої продукції, інформацію про яку вам дадуть менеджери нашої компанії в телефонному режимі або в онлайн-чаті. Телефонуйте нам, щоб купити редуктор на найвигідніших умовах.
Умовне позначення варіанти складання 32

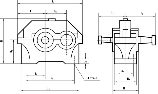
Конструкція редуктора 1ЦУ

Технічні параметри редукторів 1ЦУ
| Тип | aw | L | L1 | B | H | h | l | l1 | l2 | l3 | H1 | A | A1 | B1 | d |
| не більше | |||||||||||||||
| 1ЦУ-100 | 100 | 315 | 265 | 140 | 224 | 22 | 132 | 85 | 136 | 155 | 112 | 224 | 95 | 132 | 15 |
| 1ЦУ-160 | 160 | 475 | 412 | 185 | 335 | 28 | 195 | 136 | 218 | 218 | 170 | 355 | 125 | 175 | 24 |
| 1ЦУ-200 | 200 | 580 | 500 | 212 | 425 | 36 | 236 | 165 | 230 | 265 | 212 | 437 | 136 | 200 | 24 |
| 1ЦУ-250 | 250 | 710 | 615 | 265 | 530 | 40 | 290 | 212 | 280 | 315 | 265 | 545 | 185 | 250 | 28 |
Приклад умовного позначення редуктора
1ЦУ - 100 - 4 - 32 - У3:
1ЦУ – тип перетворювача;
100 - сумарна міжосьова відстань;
4 - передавальне число;
32 - варіант складання;
У3 – кліматичне виконання.
Цилиндрические редукторы 1ЦУ сборки 32
Відгуків про цей товар ще не було.
Немає відгуків про цей товар, станьте першим, залиште свій відгук.
Немає питань про даний товар, станьте першим і задайте своє питання.