Циліндричні редуктори 1ЦУ складання 34
Редуктори типу 1ЦУ складання 34
До одноступінчастого промислового редуктора 1ЦУ можна приєднати відразу два електричні двигуни, що зручно для випадків, які потребують контролю за безпекою та коректністю роботи всієї системи.
Наявність пари двигунів оберігає систему від виведення з ладу у разі поломки однієї з електричних машин, а також дозволяє плавно розподіляти навантаження між ними.
Крім того, складання 34 включає два виведення тихохідного валу для приєднання виконавчого механізму.
Ми зобов'язуємося надати вам коректно працюючий механізм, що має тривалу гарантію, що володіє всіма заявленими якостями. Здійснюємо доставку товару Україною перевіреними транспортними організаціями. Телефонуйте в компанію «Промпривод», щоб купити редуктор, мотор-редуктор та комплектуючі до них запчастини за доступною ціною.
Умовне позначення варіанта складання 34

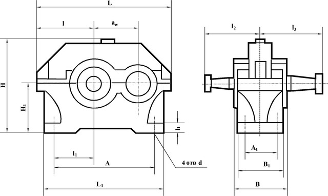
Конструкція редуктора 1ЦУ

Технічні параметри редукторів 1ЦУ
| Тип | aw | L | L1 | B | H | h | l | l1 | l2 | l3 | H1 | A | A1 | B1 | d |
| не більше | |||||||||||||||
| 1ЦУ-100 | 100 | 315 | 265 | 140 | 224 | 22 | 132 | 85 | 136 | 155 | 112 | 224 | 95 | 132 | 15 |
| 1ЦУ-160 | 160 | 475 | 412 | 185 | 335 | 28 | 195 | 136 | 218 | 218 | 170 | 355 | 125 | 175 | 24 |
| 1ЦУ-200 | 200 | 580 | 500 | 212 | 425 | 36 | 236 | 165 | 230 | 265 | 212 | 437 | 136 | 200 | 24 |
| 1ЦУ-250 | 250 | 710 | 615 | 265 | 530 | 40 | 290 | 212 | 280 | 315 | 265 | 545 | 185 | 250 | 28 |
Приклад умовного позначення редуктора
1ЦУ - 100 - 4 - 34 - У3:
1ЦУ – тип перетворювача;
100 - сумарна міжосьова відстань;
4 - передавальне число;
34 - варіант складання;
У3 – кліматичне виконання.
Цилиндрические редукторы 1ЦУ сборки 34
Відгуків про цей товар ще не було.
Немає відгуків про цей товар, станьте першим, залиште свій відгук.
Немає питань про даний товар, станьте першим і задайте своє питання.