Циліндричні редуктори 1ЦУ складання 35
Редуктори типу 1ЦУ складання 35
Для приєднання до промислового редуктора 1ЦУ відразу двох електричних двигунів і двох виконавчих пристроїв або приладів вимірювання, використовується варіант складання 35.
Згідно з цим варіантом перетворювач має відразу 2 виведення тихохідного валу, один з яких дещо скорочений зменшення масогабаритних показників і більш компактного приєднання наступних пристроїв. Швидкісний вал, який призначений для створення з'єднання з електричним двигуном, також має два висновки.
У каталозі промислових перетворювачів та інших агрегатів, які можна знайти на сайті компанії «Промпривод», ви знайдете той механізм, який зможе забезпечити правильність роботи конкретного технологічного процесу. Щоб купити редуктор в Україні, телефонуйте, або пишіть в онлайн-чат нашим компетентним менеджерам, які зможуть проконсультувати вас з будь-якого питання.
Умовне позначення варіанта складання 35

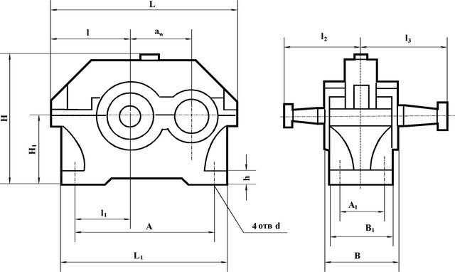
Конструкція редуктора 1ЦУ

Технічні параметри редукторів 1ЦУ
| Тип | aw | L | L1 | B | H | h | l | l1 | l2 | l3 | H1 | A | A1 | B1 | d |
| не більше | |||||||||||||||
| 1ЦУ-100 | 100 | 315 | 265 | 140 | 224 | 22 | 132 | 85 | 136 | 155 | 112 | 224 | 95 | 132 | 15 |
| 1ЦУ-160 | 160 | 475 | 412 | 185 | 335 | 28 | 195 | 136 | 218 | 218 | 170 | 355 | 125 | 175 | 24 |
| 1ЦУ-200 | 200 | 580 | 500 | 212 | 425 | 36 | 236 | 165 | 230 | 265 | 212 | 437 | 136 | 200 | 24 |
| 1ЦУ-250 | 250 | 710 | 615 | 265 | 530 | 40 | 290 | 212 | 280 | 315 | 265 | 545 | 185 | 250 | 28 |
Приклад умовного позначення редуктора
1ЦУ - 100 - 4 - 35 - У3:
1ЦУ – тип перетворювача;
100 - сумарна міжосьова відстань;
4 - передавальне число;
35 - варіант складання;
У3 – кліматичне виконання.
Цилиндрические редукторы 1ЦУ сборки 35
Відгуків про цей товар ще не було.
Немає відгуків про цей товар, станьте першим, залиште свій відгук.
Немає питань про даний товар, станьте першим і задайте своє питання.