Циліндричні редуктори 1ЦУ складання 36
Редуктори типу 1ЦУ складання 36
Промислові циліндричні редуктори 1ЦУ виготовляються в різних варіантах складання, завдяки чому можуть використовуватися в різноманітних технологічних процесах.
Варіант складання редукторів 36 відповідно до ГОСТ 20373-94 має 4 входи валів, 2 посідає тихохідний вал. Вони мають зменшений розмір, завдяки чому скорочуються габарити всього агрегату. Наявність двох кінців вихідного валу передбачає встановлення двох виконавчих пристроїв одночасно.
Звертайтеся до менеджерів компанії «Промпривод», щоб дізнатися інформацію, необхідну для використання та придбання перетворювальної техніки. Ми працюємо як із одиничними замовленнями, так і з оптовими покупцями, маємо лояльну програму знижок для кожного з них. Телефонуйте або звертайтеся до фахівців в онлайн-чаті, щоб купити редуктор в Харкові, Києві та інших містах України за найнижчою ціною.
Умовне позначення варіанта складання 36

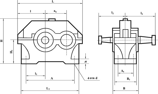
Конструкція редуктора 1ЦУ

Технічні параметри редукторів 1ЦУ
| Тип | aw | L | L1 | B | H | h | l | l1 | l2 | l3 | H1 | A | A1 | B1 | d |
| не більше | |||||||||||||||
| 1ЦУ-100 | 100 | 315 | 265 | 140 | 224 | 22 | 132 | 85 | 136 | 155 | 112 | 224 | 95 | 132 | 15 |
| 1ЦУ-160 | 160 | 475 | 412 | 185 | 335 | 28 | 195 | 136 | 218 | 218 | 170 | 355 | 125 | 175 | 24 |
| 1ЦУ-200 | 200 | 580 | 500 | 212 | 425 | 36 | 236 | 165 | 230 | 265 | 212 | 437 | 136 | 200 | 24 |
| 1ЦУ-250 | 250 | 710 | 615 | 265 | 530 | 40 | 290 | 212 | 280 | 315 | 265 | 545 | 185 | 250 | 28 |
Приклад умовного позначення редуктора
1ЦУ - 100 - 4 - 36 - У3:
1ЦУ – тип перетворювача;
100 - сумарна міжосьова відстань;
4 - передавальне число;
36 - варіант складання;
У3 - кліматичне виконання.
Цилиндрические редукторы 1ЦУ сборки 36
Відгуків про цей товар ще не було.
Немає відгуків про цей товар, станьте першим, залиште свій відгук.
Немає питань про даний товар, станьте першим і задайте своє питання.