Циліндричні редуктори 1ЦУ складання 11
Редуктори типу 1ЦУ збірки 11
Одноступінчасті вузькі циліндричні редуктори серії 1ЦУ можуть бути зроблені в 11 варіанті складання. Згідно з ГОСТ 20373-94 дане складання визначається як односторонній вихід двох валів, розташований горизонтально і паралельно площині установки агрегату.
Сам перетворювач має загальнопромислове призначення. Служить як демультиплікатор, тобто такого пристрою, який знижує кількість вступників на нього із зовнішніх джерел оборотів для отримання збільшеного моменту, що крутить, і оптимізації всього робочого процесу.
Купуйте якісні перетворювачі та інші промислові механізми на сайті виробника компанії «Промпривод» за найнижчою ціною без переплат. Ми співпрацюємо з товарними компаніями по всій Україні та можемо відправити ваше замовлення у будь-яку точку нашої країни. У нас найввічливіше та компетентне обслуговування, а також трирічна гарантія на весь сертифікований товар.
Умовне позначення варіанти складання 11

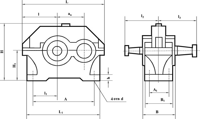
Конструкція редуктора 1ЦУ

Технічні параметри редукторів 1ЦУ
| Тип | aw | L | L1 | B | H | h | l | l1 | l2 | l3 | H1 | A | A1 | B1 | d |
| не більше | |||||||||||||||
| 1ЦУ-100 | 100 | 315 | 265 | 140 | 224 | 22 | 132 | 85 | 136 | 155 | 112 | 224 | 95 | 132 | 15 |
| 1ЦУ-160 | 160 | 475 | 412 | 185 | 335 | 28 | 195 | 136 | 218 | 218 | 170 | 355 | 125 | 175 | 24 |
| 1ЦУ-200 | 200 | 580 | 500 | 212 | 425 | 36 | 236 | 165 | 230 | 265 | 212 | 437 | 136 | 200 | 24 |
| 1ЦУ-250 | 250 | 710 | 615 | 265 | 530 | 40 | 290 | 212 | 280 | 315 | 265 | 545 | 185 | 250 | 28 |
Приклад умовного позначення редуктора
1ЦУ - 100 - 4 - 11 - К - У3:
1ЦУ - тип перетворювача;
100 - сумарне міжосьова відстань;
4 - передаточне число;
11 - варіант складання;
К - виконання вихідного кінця валу;
У3 - кліматичне виконання.
Цилиндрические редукторы 1ЦУ сборки 11
Відгуків про цей товар ще не було.
Немає відгуків про цей товар, станьте першим, залиште свій відгук.
Немає питань про даний товар, станьте першим і задайте своє питання.