Циліндричні редуктори 1ЦУ складання 14
Редуктори типу 1ЦУ складання 14
Одноступінчасті перетворювачі загальнопромислового призначення серії 1ЦУ використовуються як механізм, що перетворює надходять на нього величини необхідні для раціональної роботи системи.
Редуктори 1ЦУ можуть мати варіант складання 14, яке за ГОСТ 20373-94 описується як різновид виконання редуктора з паралельним розташуванням тихохідного та швидкохідного валу один щодо одного. Редуктори складання 14 мають два порожнисті кінця вихідного валу, до яких можна приєднати як частини електроприводу, так і керуючі прилади.
Купуйте якісні перетворювачі різного виконання та варіанта складання 14 у вітчизняного виробника компанії «Промпривод». Ми надаємо гарантію на перетворювачі – 12 місяців, можемо відправити ваше замовлення в будь-який населений пункт країни, а в момент покупки проконсультувати з будь-якого питання. У нас ви зможете купити редуктор за мінімальною вартістю та в повній відповідності до нормативної документації.
Умовне позначення варіанта складання 14

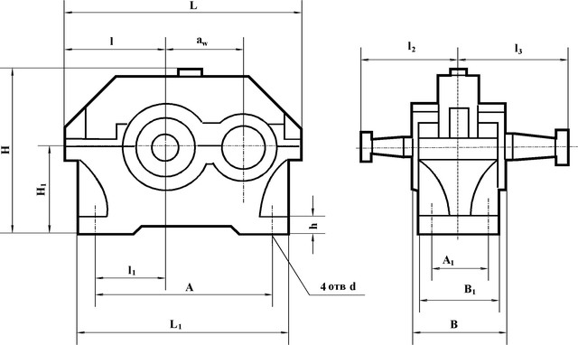
Конструкція редуктора 1ЦУ

Технічні параметри редукторів 1ЦУ
| Тип | aw | L | L1 | B | H | h | l | l1 | l2 | l3 | H1 | A | A1 | B1 | d |
| не більш ніж | |||||||||||||||
| 1ЦУ-100 | 100 | 315 | 265 | 140 | 224 | 22 | 132 | 85 | 136 | 155 | 112 | 224 | 95 | 132 | 15 |
| 1ЦУ-160 | 160 | 475 | 412 | 185 | 335 | 28 | 195 | 136 | 218 | 218 | 170 | 355 | 125 | 175 | 24 |
| 1ЦУ-200 | 200 | 580 | 500 | 212 | 425 | 36 | 236 | 165 | 230 | 265 | 212 | 437 | 136 | 200 | 24 |
| 1ЦУ-250 | 250 | 710 | 615 | 265 | 530 | 40 | 290 | 212 | 280 | 315 | 265 | 545 | 185 | 250 | 28 |
Приклад умовного позначення редуктора
1ЦУ - 100 - 4 - 14 - У3:
1ЦУ – тип перетворювача;
100 - сумарна міжосьова відстань;
4 - передавальне число;
14 - варіант складання;
У3 – кліматичне виконання.
Цилиндрические редукторы 1ЦУ сборки 14
Відгуків про цей товар ще не було.
Немає відгуків про цей товар, станьте першим, залиште свій відгук.
Немає питань про даний товар, станьте першим і задайте своє питання.