Циліндричні редуктори 1ЦУ складання 15
Редуктори типу 1ЦУ складання 15
Одноступінчасті редуктори вузькі серії 1ЦУ використовуються в приводах загального призначення з метою перетворення величин, що надходять на нього, в необхідні для коректної роботи всієї системи. Вони мають циліндричний тип передачі і можуть виконувати у різних виконаннях. Одним із критеріїв при виборі редуктора стає варіант його складання. Якщо перед вами стоїть завдання підключити до редуктора кілька приладів керування або приєднати відразу два елементи приводу, слід зупинятися на редукторах 1ЦУ складання 15.
Ознайомтеся з багатим асортиментом перетворювачів загального та особливого призначення на сайті компанії «Промпривод». У нас ви знайдете і зможете купити редуктор варіанта складання 15 та інших за найнижчими цінами. Звертайтеся до нас, і ми надамо детальну консультацію з будь-якого питання, що вас цікавить. Замовлення надсилає провідними транспортними компаніями-компаньйонами України до будь-якої точки країни.
Умовне позначення варіанта складання 15

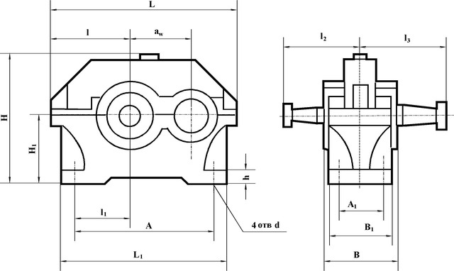
Конструкція редуктора 1ЦУ

Технічні параметри редукторів 1ЦУ
| Тип | aw | L | L1 | B | H | h | l | l1 | l2 | l3 | H1 | A | A1 | B1 | d |
| не більш ніж | |||||||||||||||
| 1ЦУ-100 | 100 | 315 | 265 | 140 | 224 | 22 | 132 | 85 | 136 | 155 | 112 | 224 | 95 | 132 | 15 |
| 1ЦУ-160 | 160 | 475 | 412 | 185 | 335 | 28 | 195 | 136 | 218 | 218 | 170 | 355 | 125 | 175 | 24 |
| 1ЦУ-200 | 200 | 580 | 500 | 212 | 425 | 36 | 236 | 165 | 230 | 265 | 212 | 437 | 136 | 200 | 24 |
| 1ЦУ-250 | 250 | 710 | 615 | 265 | 530 | 40 | 290 | 212 | 280 | 315 | 265 | 545 | 185 | 250 | 28 |
Приклад умовного позначення редуктора
1ЦУ - 100 - 4 - 15 - У3:
1ЦУ – тип перетворювача;
100 - сумарна міжосьова відстань;
4 - передавальне число;
15 - варіант складання;
У3 – кліматичне виконання.
Цилиндрические редукторы 1ЦУ сборки 15
Відгуків про цей товар ще не було.
Немає відгуків про цей товар, станьте першим, залиште свій відгук.
Немає питань про даний товар, станьте першим і задайте своє питання.