Циліндричні редуктори 1ЦУ складання 16
Редуктори типу 1ЦУ складання 16
Одноступінчастий перетворювач загальнопромислового призначення серії 1ЦУ – це циліндричний редуктор, який активно використовується як у будівельній, так і промисловій області при встановленні в систему, що працює за низької або середньої потужності. Редуктор 1ЦУ може виготовлятися у варіанті складання 16.
Відповідно до ГОСТ 20373-94 складання 16 має на увазі наявність одного виходу швидкохідного валу та двох виходів порожнього тихохідного валу.
При необхідності придбати якісний перетворювач, який служитиме вам протягом довгих років, звертайтесь до компанії «Промпривод». У нас ви зможете купити редуктор, вибравши необхідний з величезного асортименту механізмів найвищої якості, виготовленим вітчизняним виробником у повній відповідності до всіх необхідних норм і стандартів. У нас можна знайти агрегати в різних варіантах збирання, типорозмірах та інших параметрах.
Умовне позначення варіанта складання 16

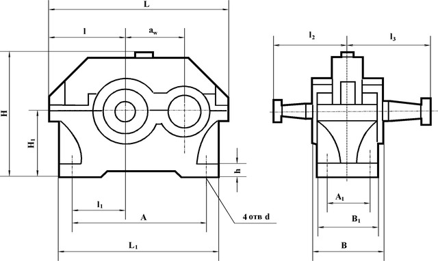
Конструкція редуктора 1ЦУ

Технічні параметри редукторів 1ЦУ
| Тип | aw | L | L1 | B | H | h | l | l1 | l2 | l3 | H1 | A | A1 | B1 | d |
| не більш ніж | |||||||||||||||
| 1ЦУ-100 | 100 | 315 | 265 | 140 | 224 | 22 | 132 | 85 | 136 | 155 | 112 | 224 | 95 | 132 | 15 |
| 1ЦУ-160 | 160 | 475 | 412 | 185 | 335 | 28 | 195 | 136 | 218 | 218 | 170 | 355 | 125 | 175 | 24 |
| 1ЦУ-200 | 200 | 580 | 500 | 212 | 425 | 36 | 236 | 165 | 230 | 265 | 212 | 437 | 136 | 200 | 24 |
| 1ЦУ-250 | 250 | 710 | 615 | 265 | 530 | 40 | 290 | 212 | 280 | 315 | 265 | 545 | 185 | 250 | 28 |
Приклад умовного позначення редуктора
1ЦУ - 100 - 4 - 16 - У3:
1ЦУ – тип перетворювача;
100 - сумарна міжосьова відстань;
4 - передавальне число;
16 - варіант складання;
У3 – кліматичне виконання.
Цилиндрические редукторы 1ЦУ сборки 16
Відгуків про цей товар ще не було.
Немає відгуків про цей товар, станьте першим, залиште свій відгук.
Немає питань про даний товар, станьте першим і задайте своє питання.