Циліндричні редуктори 1ЦУ складання 21
Редуктори типу 1ЦУ складання 21
Зручний та простий в обслуговуванні загальнопромисловий редуктор 1ЦУ може бути створений на підставі різних варіантів збирання. Часто подібні перетворювачі збираються у складанні 21: вали редуктора розташовуються радіально один одному, маючи паралельні виходи.
Перетворювач використовується спільно з низько або середньооборотними двигунами для зміни значення швидкості обертання тихохідного валу щодо швидкохідного та отримання необхідних системі характеристик.
У каталозі товарів, представлених на сайті компанії «Промпривод», ви можете знайти як загальнопромислові, так і спеціалізовані перетворювачі, а також комплектуючі та запчастини до них. Ви можете замовити дзвінок менеджера або скористатися послугою – написати нашим представникам у режимі онлайн-чату, щоб купити редуктор за найпривабливішою вартістю.
Умовне позначення варіанта складання 21

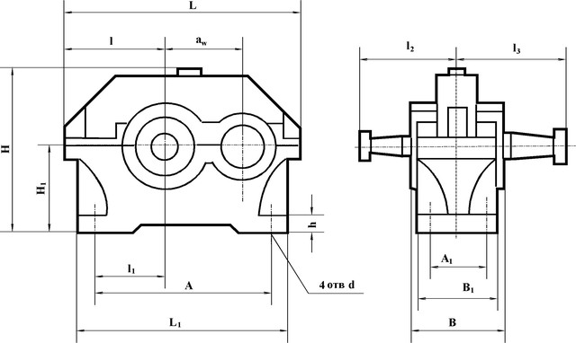
Конструкція редуктора 1ЦУ

Технічні параметри редукторів 1ЦУ
| Тип | aw | L | L1 | B | H | h | l | l1 | l2 | l3 | H1 | A | A1 | B1 | d |
| не більш ніж | |||||||||||||||
| 1ЦУ-100 | 100 | 315 | 265 | 140 | 224 | 22 | 132 | 85 | 136 | 155 | 112 | 224 | 95 | 132 | 15 |
| 1ЦУ-160 | 160 | 475 | 412 | 185 | 335 | 28 | 195 | 136 | 218 | 218 | 170 | 355 | 125 | 175 | 24 |
| 1ЦУ-200 | 200 | 580 | 500 | 212 | 425 | 36 | 236 | 165 | 230 | 265 | 212 | 437 | 136 | 200 | 24 |
| 1ЦУ-250 | 250 | 710 | 615 | 265 | 530 | 40 | 290 | 212 | 280 | 315 | 265 | 545 | 185 | 250 | 28 |
Приклад умовного позначення редуктора
1ЦУ - 100 - 4 - 21 - У3:
1ЦУ – тип перетворювача;
100 - сумарна міжосьова відстань;
4 - передавальне число;
21 - варіант складання;
У3 – кліматичне виконання.
Цилиндрические редукторы 1ЦУ сборки 21
Відгуків про цей товар ще не було.
Немає відгуків про цей товар, станьте першим, залиште свій відгук.
Немає питань про даний товар, станьте першим і задайте своє питання.