Циліндричні редуктори 1ЦУ складання 23
Редуктори типу 1ЦУ складання 23
Вузькі циліндричні перетворювачі загального промислового призначення серії 1ЦУ можуть мати різні варіанти складання.
Залежно від розташування валів і їхнього нахилу можна варіювати числом під'єднуваних приладів керування і контролю, а також механізмів, що приймають перетворені величини.
Варіант складання 23 передбачає наявність одразу трьох кінців вала: два належать до тихохідного, один - до швидкохідного.
Якщо ви шукаєте, де купити редуктор високої якості, то рекомендуємо звернутися до менеджерів компанії «Промпривод», щоб дізнатися всю інформацію про можливості придбання та особливості експлуатації будь-якого загальнопромислового або спеціалізованого редуктора. Ми надаємо своїм клієнтам докладну консультативну допомогу, а також надаємо тривалу гарантію на всі перетворювачі, що діє протягом року.
Умовне позначення варіанти складання 23

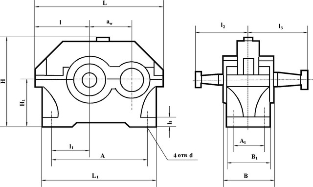
Конструкція редуктора 1ЦУ

Технічні параметри редукторів 1ЦУ
| Тип | aw | L | L1 | B | H | h | l | l1 | l2 | l3 | H1 | A | A1 | B1 | d |
| не більше | |||||||||||||||
| 1ЦУ-100 | 100 | 315 | 265 | 140 | 224 | 22 | 132 | 85 | 136 | 155 | 112 | 224 | 95 | 132 | 15 |
| 1ЦУ-160 | 160 | 475 | 412 | 185 | 335 | 28 | 195 | 136 | 218 | 218 | 170 | 355 | 125 | 175 | 24 |
| 1ЦУ-200 | 200 | 580 | 500 | 212 | 425 | 36 | 236 | 165 | 230 | 265 | 212 | 437 | 136 | 200 | 24 |
| 1ЦУ-250 | 250 | 710 | 615 | 265 | 530 | 40 | 290 | 212 | 280 | 315 | 265 | 545 | 185 | 250 | 28 |
Приклад умовного позначення редуктора
1ЦУ - 100 - 4 - 23 - У3:
1ЦУ – тип перетворювача;
100 - сумарна міжосьова відстань;
4 - передавальне число;
23 - варіант складання;
У3 – кліматичне виконання.
Цилиндрические редукторы 1ЦУ сборки 23
Відгуків про цей товар ще не було.
Немає відгуків про цей товар, станьте першим, залиште свій відгук.
Немає питань про даний товар, станьте першим і задайте своє питання.