Циліндричні редуктори 1ЦУ складання 24
Редуктори типу 1ЦУ складання 24
Одноступінчасті циліндричні редуктори серії 1ЦУ виготовляються відповідно до різних варіантів складання, в залежності від яких з'являється можливість використовувати різну кількість виконавчих механізмів, вимірювальних приладів та джерел навантаження.
Редуктори, відповідні складанню 24, мають два виходи тихохідного валу, один з яких виготовляється у зменшеному вигляді. Це використовується для більш компактного підключення елементів приводної системи.
Звертайтесь до менеджерів компанії «Промпривод», щоб купити промисловий редуктор за найнижчою в Україні ціною. Ми зобов'язуємося доставити товар у найкоротші терміни, адже маємо в наявності велике складське приміщення і більшість товарів, представлених на сайті, вже є на складі. Ми готові працювати із клієнтами з усіх населених пунктів країни, маючи лояльну програму знижок для оптових покупців.
Умовне позначення варіанта складання 24

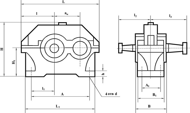
Конструкція редуктора 1ЦУ

Технічні параметри редукторів 1ЦУ
| Тип | aw | L | L1 | B | H | h | l | l1 | l2 | l3 | H1 | A | A1 | B1 | d |
| не більш ніж | |||||||||||||||
| 1ЦУ-100 | 100 | 315 | 265 | 140 | 224 | 22 | 132 | 85 | 136 | 155 | 112 | 224 | 95 | 132 | 15 |
| 1ЦУ-160 | 160 | 475 | 412 | 185 | 335 | 28 | 195 | 136 | 218 | 218 | 170 | 355 | 125 | 175 | 24 |
| 1ЦУ-200 | 200 | 580 | 500 | 212 | 425 | 36 | 236 | 165 | 230 | 265 | 212 | 437 | 136 | 200 | 24 |
| 1ЦУ-250 | 250 | 710 | 615 | 265 | 530 | 40 | 290 | 212 | 280 | 315 | 265 | 545 | 185 | 250 | 28 |
Приклад умовного позначення редуктора
1ЦУ - 100 - 4 - 24 - У3:
1ЦУ – тип перетворювача;
100 - сумарна міжосьова відстань;
4 - передавальне число;
24 - варіант складання;
У3 – кліматичне виконання.
Цилиндрические редукторы 1ЦУ сборки 24
Відгуків про цей товар ще не було.
Немає відгуків про цей товар, станьте першим, залиште свій відгук.
Немає питань про даний товар, станьте першим і задайте своє питання.