Циліндричні редуктори 1ЦУ складання 12
Редуктори типу 1ЦУ складання 12
Одноступінчасті циліндричні вузькі редуктори 1ЦУ – перетворювачі механічних величин оптимальні на вирішення поставленої виробничої завдання. Дані редуктори мають загальне призначення, використовуються як у будівельних, так і виробничих цілях.
Одноступінчасті перетворювачі ЦУ складання 12 можуть виконуватися в діапазоні міжосьових відстаней від 100 до 250 мм, встановлюватися на жорстку поверхню і мати такі параметри:
- Частота обертання тихохідного валу варіюється від 350 до 5000 Нм.
- ККД механізму визначається 98%, що є вкрай високим показником.
- Механізм може експлуатуватися в помірному та тропічному кліматі при середній запиленості повітря близько 10 мг/см3.
Підібрати відповідний редуктор допоможуть менеджери компанії «Промпривод». Ми надаємо покупцям прозору інформацію про всі можливості та особливості агрегатів, що купуються, також даємо можливість отримати знижку при оптовому замовленні і отримати сою покупку в будь-якому населеному пункті країни в оптимальні терміни.
Умовне позначення варіанта складання 12

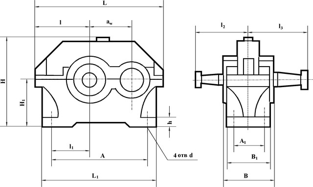
Конструкція редуктора 1ЦУ

Технічні параметри редукторів 1ЦУ
| Тип | aw | L | L1 | B | H | h | l | l1 | l2 | l3 | H1 | A | A1 | B1 | d |
| не більш ніж | |||||||||||||||
| 1ЦУ-100 | 100 | 315 | 265 | 140 | 224 | 22 | 132 | 85 | 136 | 155 | 112 | 224 | 95 | 132 | 15 |
| 1ЦУ-160 | 160 | 475 | 412 | 185 | 335 | 28 | 195 | 136 | 218 | 218 | 170 | 355 | 125 | 175 | 24 |
| 1ЦУ-200 | 200 | 580 | 500 | 212 | 425 | 36 | 236 | 165 | 230 | 265 | 212 | 437 | 136 | 200 | 24 |
| 1ЦУ-250 | 250 | 710 | 615 | 265 | 530 | 40 | 290 | 212 | 280 | 315 | 265 | 545 | 185 | 250 | 28 |
Приклад умовного позначення редуктора
1ЦУ - 100 - 4 - 12 - У3:
1ЦУ – тип перетворювача;
100 - сумарна міжосьова відстань;
4 - передавальне число;
12 - варіант складання;
У3 – кліматичне виконання.
Цилиндрические редукторы 1ЦУ сборки 12
Відгуків про цей товар ще не було.
Немає відгуків про цей товар, станьте першим, залиште свій відгук.
Немає питань про даний товар, станьте першим і задайте своє питання.